EasyManua.ls Logo

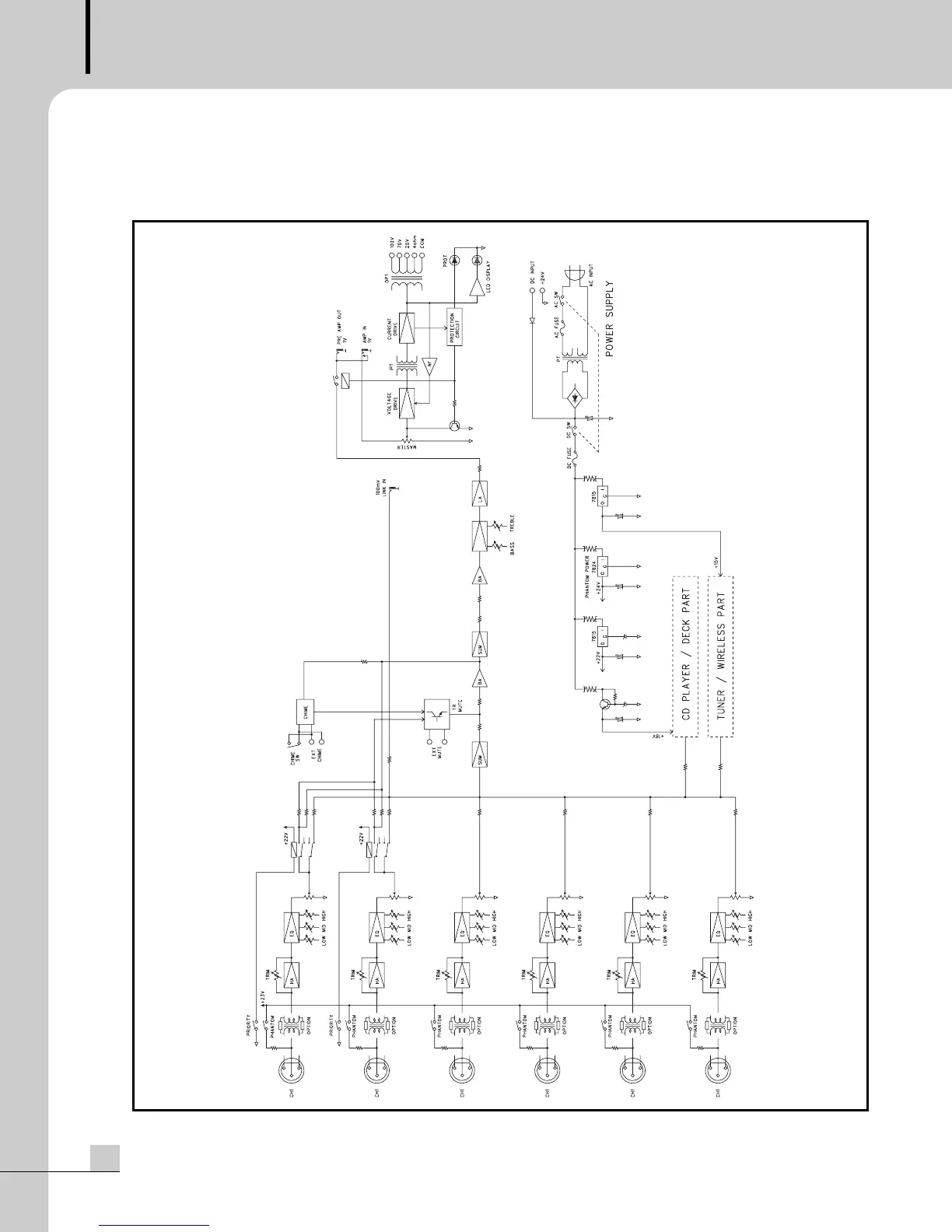
Inter-m PAM-340A - Block Diagram (PAM-120 A)

Inter-m PAM-340A
20 pages
Print Icon
To Next Page IconTo Next Page
To Next Page IconTo Next Page
To Previous Page IconTo Previous Page
To Previous Page IconTo Previous Page
Loading...
PUBLIC ADDRESS AMPLIFIER
14
PAM-120A/340A/480A
Block Diagrams
Block Diagrams
PAM-120A

Other manuals for Inter-m PAM-340A

Related product manuals