EasyManua.ls Logo

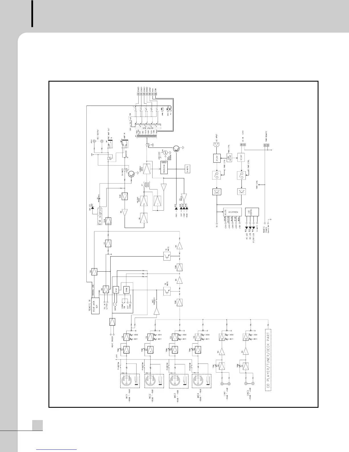
Inter-m PAM-510 - Block Diagram

Inter-m PAM-510
17 pages
Print Icon
To Next Page IconTo Next Page
To Next Page IconTo Next Page
To Previous Page IconTo Previous Page
To Previous Page IconTo Previous Page
Loading...
12
PAM-510/520
ATT. ZONE AMPLIFIER
Block Diagram
Block Diagram