EasyManua.ls Logo

Inter-m PC-9335AD - Applications

Inter-m PC-9335AD
20 pages
Print Icon
To Next Page IconTo Next Page
To Next Page IconTo Next Page
To Previous Page IconTo Previous Page
To Previous Page IconTo Previous Page
Loading...
14
PC-9335AD
STEREO DOUBLE CASSETTE DECK
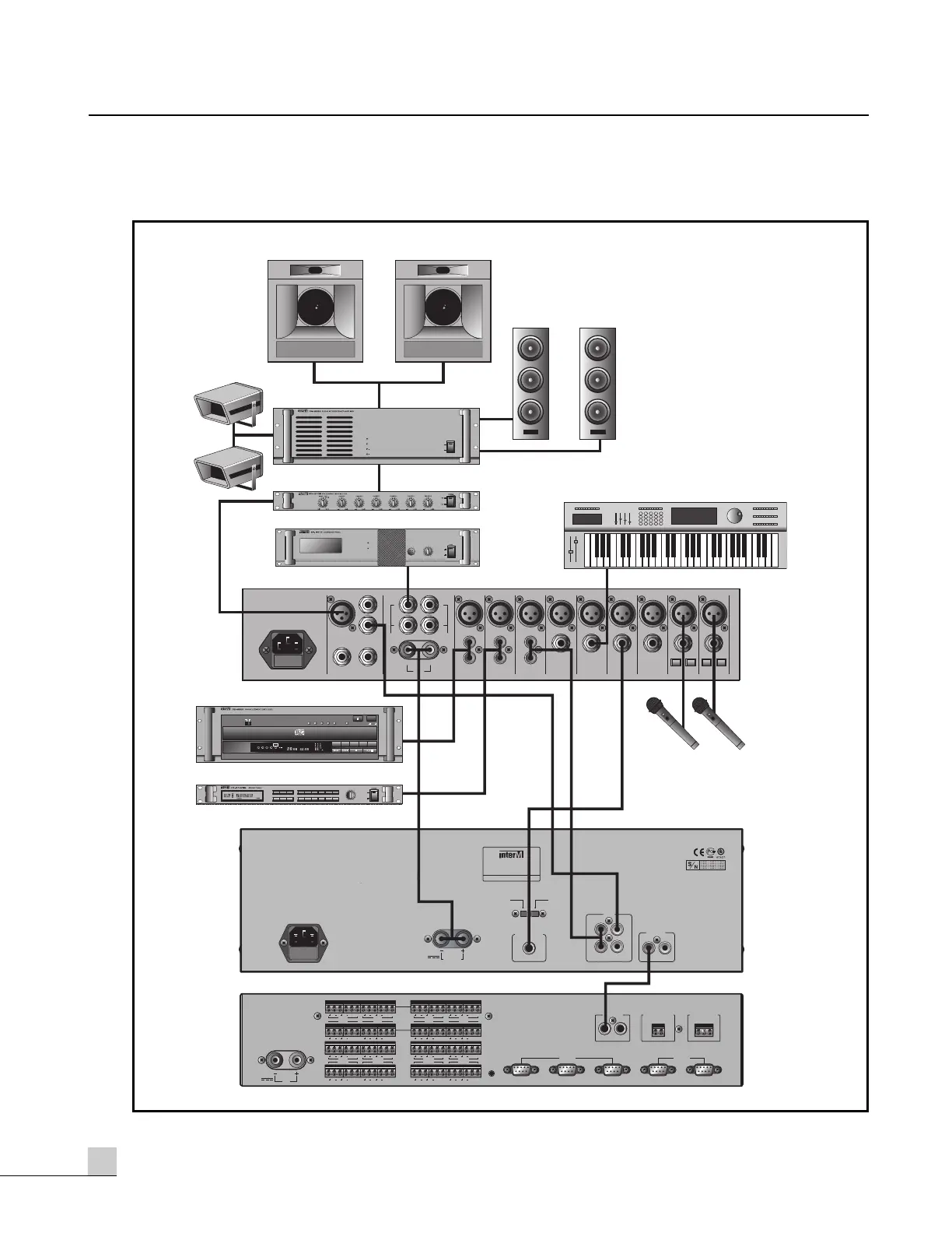
Applications
Applications
12
MONO OUTPUT
FIXED
REC PLAYOFF
TIMER
DIGI-LINK
LL
/MONO
RR
LINE
DC INPUT
24V,1.25A
~AC INPUT: 230V 50Hz, 24W
FUSE:T125mAL/250V
www.inter-m.com
(UNBALANCED)
(
VARIABLE
)
OUT IN
MODEL NO. PC-9335AD
STEREO DOUBLE
CASSETTE DECK
MADE IN KOREA
NO USER SERVICEABLE PARTS INSIDE.
RISQUE DE CHOC ELECTRIQUE NE
CTRIC SHOCK, DO NOT REMOVE COVER.
CAUTION;
AVI S;
TO REDUCE THE RISK OF FIRE
REPLACE ONLY WITH SAME TYPE FUSE.
CAUTION;
TO REDUCE THE RISK OF ELE-
PAS OUVRIR.
UTILISER UN FUSIBLE DE RECHANGE DE
MEME TYPE.
PERSONNEL.
REFER SERVICING TO QUALIFIED SERVICE
RX RX TX TX G24VRXRX TX TX G24V
RX
RX TX TX G24VRXRX TX TX G24V
RX
RX TX TX G24VRX
RM 11 RM 12
RM 15 RM 16
RM 3 RM 4
RM 7 RM 8
RX TX TX G24V
RX
RX TX TX G24VRXRX TX TX G24V
RESET
PC 1 PC 2 DRP / INTERFACE LINK 1 LINK 2
RS-422RS-232
DIGI LINK
HC HCG
12
EM AUDIO OUTFROM DRG-8232
RX RX TX TX G 24V RX RX TX TX G 24V
RX
RX TX TX G 24V RX RX TX TX G 24V
RX
RX TX TX G 24V RX
RM 9 RM 10
RM 13 RM 14
RM 1 RM 2
RM 5 RM 6
RX TX TX G 24V
RX
RX TX TX G 24V RX RX TX TX G 24V
DC INPUT
24V
OFF
ON
OUTPUT
STAND-BY
MIC
MIC/VOLUME
MAX
MIN
FIRE
10dB
CLIP
40dB
PROT
OUTPUT & PROTECTION
POWER
OFF
ON
TIMER
OFF PLAY
DISC SELECTOR
1234 5
DISC SKIP
OPEN/CLOSE
ON OFF
POWER
-SKIP-SEARCH STOP/CLEAR PLAY/PAUSE
5DISC AUTOMATIC DISC LOADING SYSTEM
PROG / REV
REPEAT TIMER DISC INTRO
HIGH DENSITY 1-BIT D/A CONVERTER
RANDOM
1 2 3 4 5
PROG
TRACK
INDEX INTRO
RANDOM REPEATALL 1 DISCS
VOLUME
MAX
MIN
DOWN
UP
6
1
7
2
8
3
9
4
0
5
PRESET
SCAN
MEMORY
OFF
ON
AM
MONO / ST
FM
MODE
PRESET/TUNE
MONO
MHz
KHz
PT-9107SD
CD-3500
KEY BOARD
PO-9106
PA-9312/9324/9336
EP-9216
PP-9213
PC-9335AD
DIGI-LINK CONTROL UNIT
SPEAKERS
DUCK P.PWR
CH1CH2
DUCK P.PWR
CH3CH4CH5CH6CH7CH8CH9
LINE IN
MIC IN
L
RR
L
R
L
2
1
AUX
1
2
PRIORITY
+-
DC INPUT
24V
INSERTREC OUT
MASTER
2
1
SUB OUT
OUTPUT
INPUTINPUT
LINE IN
MIC IN
LINE IN
MIC IN
LINE IN
MIC IN
LINE IN
MIC IN
LINE IN
MIC IN
LINE IN
MIC IN
LINE IN
MIC IN
LINE IN
MIC IN
O
N
O
N