EasyManua.ls Logo

Inter-m PC-9335AD - Block Diagram

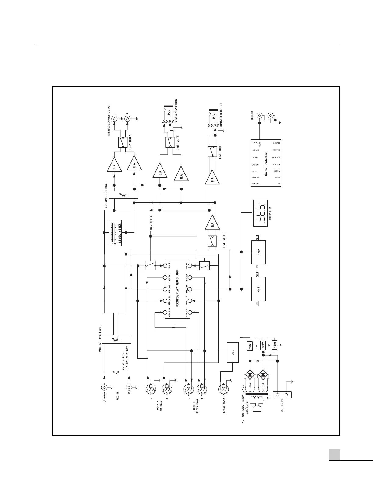
Inter-m PC-9335AD
20 pages
Print Icon
To Next Page IconTo Next Page
To Next Page IconTo Next Page
To Previous Page IconTo Previous Page
To Previous Page IconTo Previous Page
Loading...
15
PC-9335AD
STEREO DOUBLE CASSETTE DECK
Block Diagram
Block Diagram