EasyManua.ls Logo

Inter-m R300 PLUS - Synoptique

Inter-m R300 PLUS
35 pages
Print Icon
To Next Page IconTo Next Page
To Next Page IconTo Next Page
To Previous Page IconTo Previous Page
To Previous Page IconTo Previous Page
Loading...
31
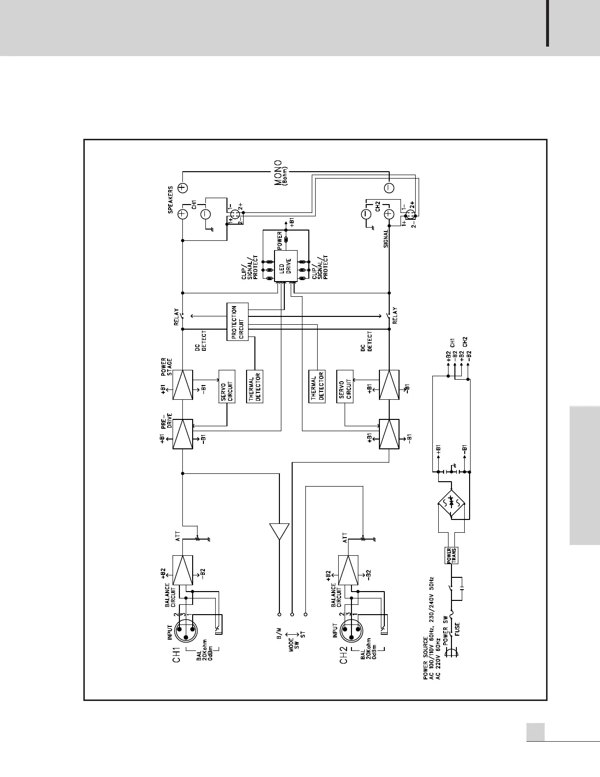
R150 PLUS/300 PLUS/500 PLUS
AMPLIFICATEUR PROFESSIONNEL
French
Synoptique
Synoptique

Related product manuals