EasyManua.ls Logo

Interchange MD8 Series - Page 44

Interchange MD8 Series
52 pages
Print Icon
To Next Page IconTo Next Page
To Next Page IconTo Next Page
To Previous Page IconTo Previous Page
To Previous Page IconTo Previous Page
Loading...
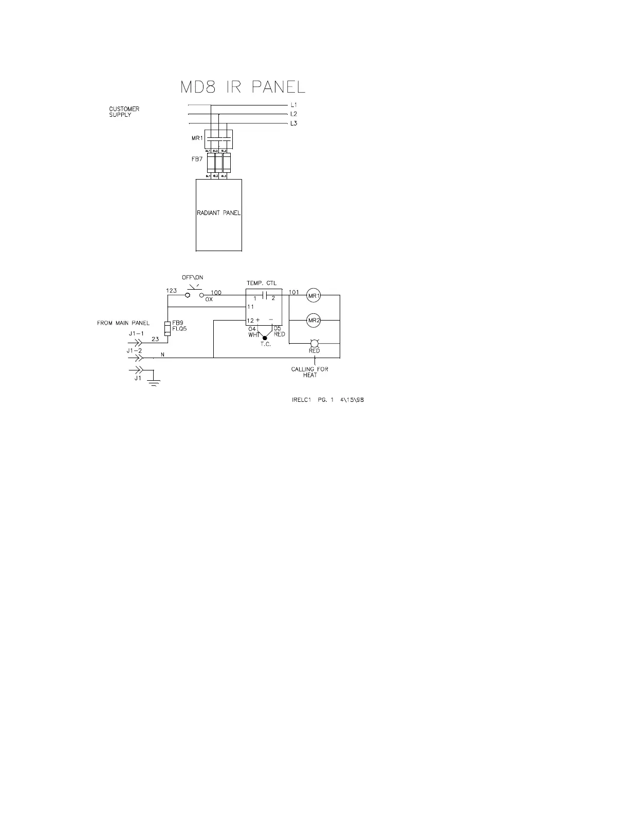
Only use with dryers that have Infra Red Pre-heat section
Schematic-Gas Model
44