EasyManua.ls Logo

Interklima II18SCV1 - Page 11

Default Icon
40 pages
Print Icon
To Next Page IconTo Next Page
To Next Page IconTo Next Page
To Previous Page IconTo Previous Page
To Previous Page IconTo Previous Page
Loading...
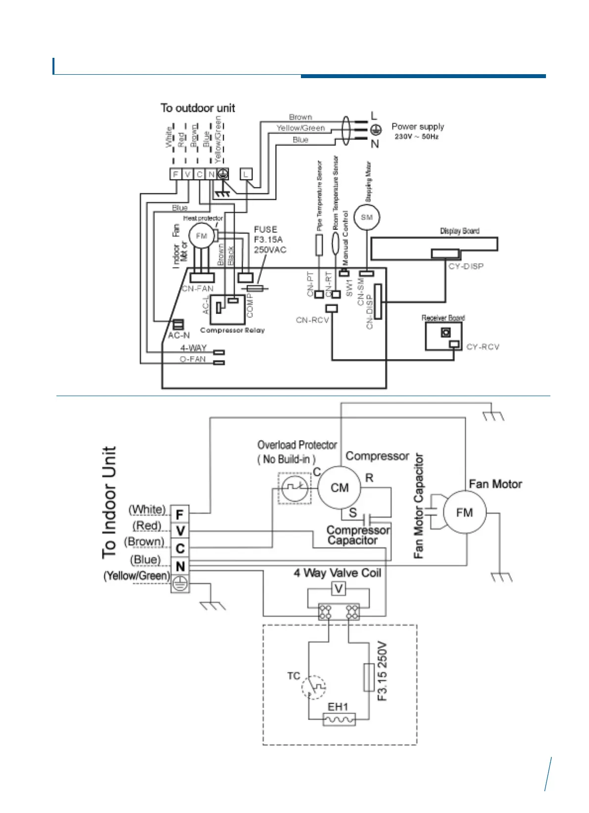
Interklima High wall unit
II/IO - SCV1
11
II-18 SCV1
IO-18 SCV1
NOTES
Note: Wiring diagrams on units take precedence over manual
L - LINE
N - NEUTRAL
F - FAN MOTOR
V - 4 WAY VALVE
C - COMPRESSOR