EasyManua.ls Logo

Intimus 669 - Important Safety Notes; Controls; Operation; Feeding of Single Sheets

Intimus 669
10 pages
Print Icon
To Next Page IconTo Next Page
To Next Page IconTo Next Page
To Previous Page IconTo Previous Page
To Previous Page IconTo Previous Page
Loading...
302
302CC
402
402CC
402HS
452
452CC
502
502CC
502HS
602
602CC
602HS
0077SX
302
302CC
402
402CC
402HS
452
452CC
502
502CC
502HS
602
602CC
602HS
0077SX
Schleicher International Schleicher International
http://www.monomachines.com/
http://www.monomachines.com/
GB
IMPORTANT SAFETY NOTES
OPERATION
CONTROLS: 6 = Pilot lamp „paper jam“ (fig. 1)
1 = Pushbutton switch „ready“ (fig. 1) Lights when too much paper is fed to the
Depress this switch to start the machine or to cutters. The cutting system blocks and stops.
stop the machine. The motor is switched off.
2 = Light barrier (forward operation) (fig. 2)
The shredding operation is started as soon FEEDING OF SINGLE SHEETS:
as a sheet of paper passes through the feed - Turn machine on with pushbutton switch (1)
slot. (fig. 1). Pilot lamp lights up (4) (fig. 1).
3 = Pushbutton switch „reverse“ (fig. 1) - Feed paper through the inlet guide to the cutting
Pressing this button activates the cutting system.
mechanism into reverse. - Machine switches automatically to forward and
4 = Pilot lamp „ready“ (fig. 1) draws paper in. The machine switches off
Lights when the pushbutton switch (1) is automatically after shredding.
operated.
5 = Pilot lamp FEEDING OF COMPUTER PAPER:
„receptacle full“ / „door open“ (fig. 1) (452/-CC // 602/-CC/-HS // 007SX)
Lights when - Fold up the paper tray and place a stack of
a) the receptacle is full and needs to be computer paper onto it.
emptied. At the same time the machine The paper tray may not be used as a
switches off automatically. step ladder or as a seat. Danger of
b)the door is not closed. The machine then tipping over!
switches off automatically and it cannot be
started as long as the door is open. - Turn machine on with pushbutton switch (1)
(fig. 1). Pilot lamp lights up (4) (fig. 1).
- Insert the paper underneath the guide rail (7)
(fig. 3) and feed it through the inlet guide to the
cutting system.
fig. 1
4
6
1
3
5
2
fig. 2
4
INITIATION
SCOPE OF APPLICATION:
The document shredder INTIMUS 302/-CC // 402/
-CC/-HS // 452/-CC // 502/-CC/-HS // 602/-CC/-
HS // 007SX is a machine for the destruction of
common written material.
The unit should only be fed with paper!
Shredding other types of materials can
cause injuries (e.g. by splinters of hard
materials) or may damage the shredder
(e.g. destruction of the cutting system).
Exception: Single CD ROMs can also
be shredded with 5.8 mm strip-cut
models.
INSTALLATION:
- Unpack and set machine upright.
- Place plastic sack into the receptacle.
- Plug in the machine (for instructions for the
necessary precautions see „TECHNICAL
DATA“.
The air vents in the housing are
necessary for cooling and may not be
covered or closed!
The mains connection at the machine
must be freely accessible!
Only operate the machine in enclosed
rooms at temperatures between 10
°
C
and 40
°
C!
- Machine switches automatically to forward and
draws paper in.
- The machine switches off automatically after
shredding.
Never feed the shredder with a quantity
of paper exceeding the maximum
indicated in the technical details.
Should the machine be overfed, follow
the instructions under „PAPER JAM“.
EMPTYING THE RECEPTACLE:
When the receptacle is full, the machine turns off
automatically. Empty the receptacle as follows:
- Open door. Remove the full sack and dispose
of contents.
- PLace empty sack into receptacle and close
door. The pilot lamp (5) (fig. 1) goes off.
Note: The machine will only run with closed door!
7
SB-No.
991.0250.4
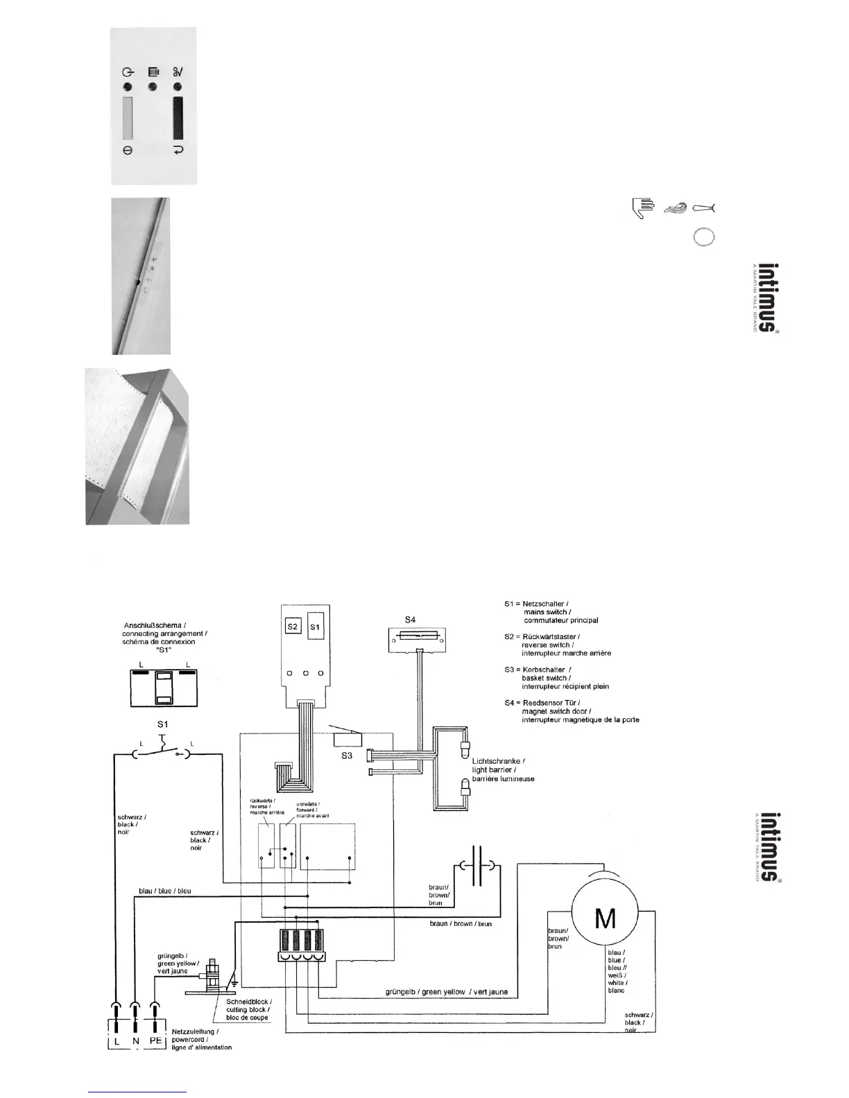
SCHALTBILD / WIRING DIAGRAM / PLAN DE MONTAGE / SCHAKELSCHEMA
DIAGRAMA ELÉCTRICO / ESQUEMA ELECTRICO / SCHEMA ELETTRICO
452/452CC // 502/502CC/502HS // 602/602CC/602HS
<< The machine may not be operated by
more than one person at any given time!
The machine was designed for safe
operation by “one person only”.
<< During the shredding process no other
work may be performed on the machine
(for example cleaning, etc.).
<< Keep children away from the machine.
This machine’s design and safety concept
are based on adult dimensions (feeder
route, safety cut-off switches, etc.) to ensure
that it can be operated safely by adults
only.
<< Repairs may only be performed by
trained personnel.
STOP
<< Keep all loose articles of
clothing, ties, jewelery,
long hair or other loose
objects away from
opening, injury may
result!
<< Never insert fingers into opening.
Serious injury may result!
<< In case of danger switch the
machine off with the mains switch,
or with the emergency switch, or
unplug the machine.
<< Always unplug the machine from
the mains power supply before
opening the machine.
fig. 3
17
G-
IITIillI
?sJ
e
';>
~
~
c:::=>~
o
l>_.
~=
~
...
z-.
~3
~C
l>
~cn3)
l>_.
~=
~
...
z_.
~3
~C
l>
~cn3)
nAir
schwarz!
black!
blau!
blue!
bleu
/I
wei
11
I
white!
blanc
M
~
Ibraun!
,brown!
Ibrun
rl
81 = Netzschalter!
mains
switch!
commutateur principal
82
=Ri.ickwartstaster!
reverse
switch!
interrupteur marche arriere
83
= Korbschalter !
basket
switch!
interrupteur recipient plein
84
= Reedsensor Ti.ir !
magnet switch
door!
interrupteur magnetique de la porte
r<1~
~
Li,ht"hc,,'.
I
light
barrier J
U
b,.,.c'
',m'"""
braun! brown!
brun
braun!
brown!
brun
lIT
54
t:::::S
o 0
grungelb Jgreen yellow / vert
jaune
~
1
,
53
---...
vorwarts
I
fOlWard
I
mardle
avan1
m
m
o 0 0
~B
L.-
.-tt-
.1
.J--.J
4-1
rOckwarts
J
reverse
J
marche arriere
Schneidblock !
culling block
I
bloc
de
coupe
7
schwarz!
black!
nair
Netzzuleitung !
powercord!
ligne
d'
alimentation
grOngelb
I
green
yellow!
vert
jaune
I I I I I
blau !
blue!
bleu
L L
DTI
Anschluf1schema !
connecting
arrangement!
schema de connexion
"81
11
schwarz
I
black!
nair
51
-{~L
0-)
I
fr~
~~~

Related product manuals