EasyManua.ls Logo

INVT BPD0K7TN - Commissioning Guide; Commissioning on PV Power Supply

INVT BPD0K7TN
74 pages
Print Icon
To Next Page IconTo Next Page
To Next Page IconTo Next Page
To Previous Page IconTo Previous Page
To Previous Page IconTo Previous Page
Loading...
BPD series PV pumping inverter Commissioning guide
62
6 Commissioning guide
6.1 Commissioning on PV power supply
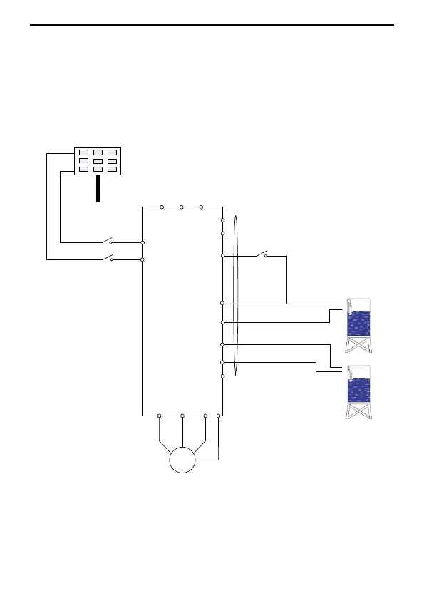
1. Perform the wiring according to the diagram and check the wiring is correct. After
the wiring is properly performed, switch on Q2.
For models of 380V, you also need to switch on the DC switch on the enclosure.
S4
PV+
PV pumping inverter
M
U V W
L N PE
CO
M
S2
S3
COM
PE
485-
485+
PV-
Q2
PV solar panels
Run/Stop
Reservoir
PE
Full water signal
Non-water signal
Figure 6.1 Wiring for PV power supply
2. Set the motor parameters.
(1) Set P00.18=1 to restore the factory settings.
(2) Set the motor type through P02.00: 0 indicates 3PH motor and 1 indicates
1PH motor. You need to set P04.34 to 0x01 when the capacitor-removed 1PH

Table of Contents

Related product manuals