EasyManua.ls Logo

iPower SC2400iP - Circuit Diagram

iPower SC2400iP
36 pages
Print Icon
To Next Page IconTo Next Page
To Next Page IconTo Next Page
To Previous Page IconTo Previous Page
To Previous Page IconTo Previous Page
Loading...
Page 29
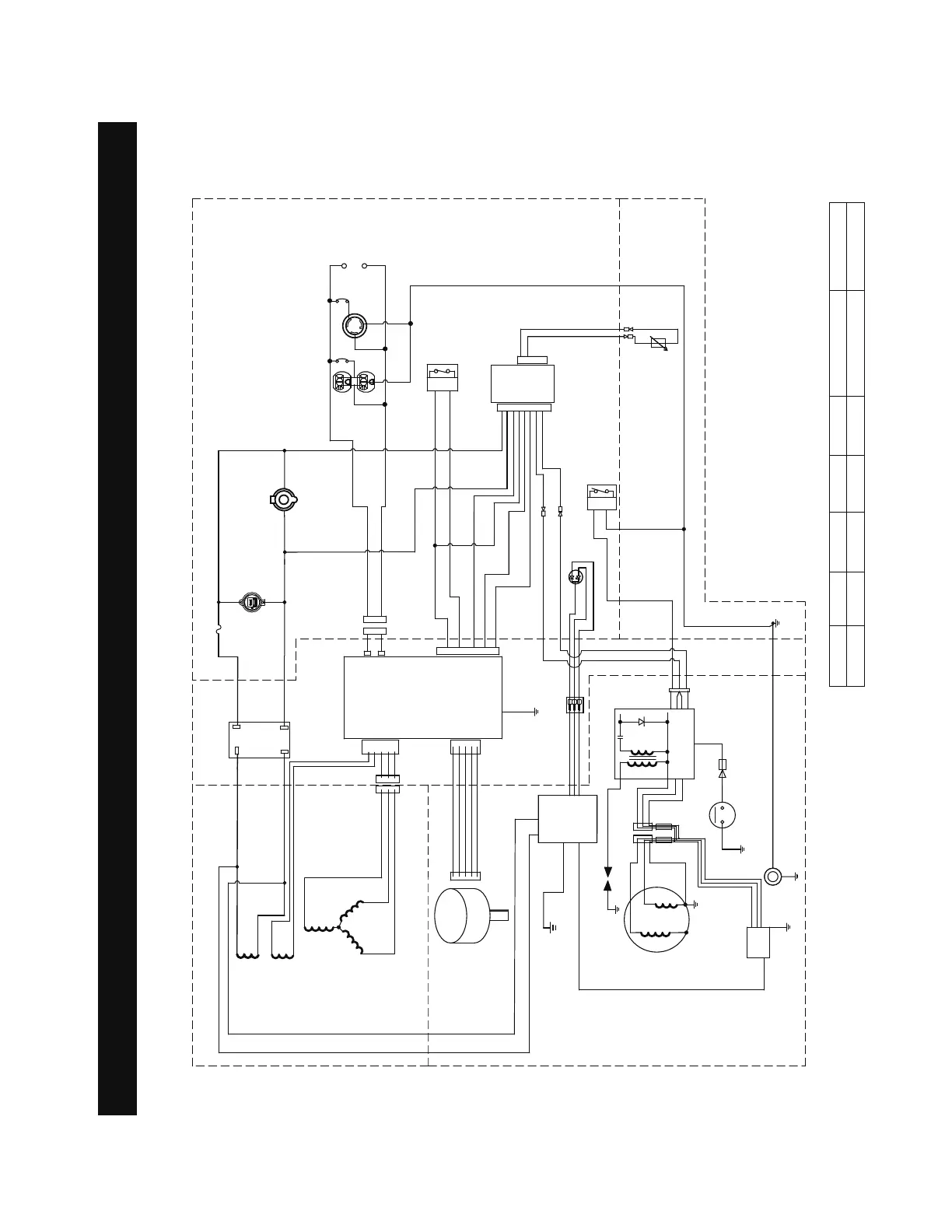
Circuit Diagram
CIRCUIT DIAGRAM
Grounding system(AC): Neutral Floating
B:BLACK
Br:BROWN
G:GREEN
Gy:GRAY
L:BLUE
O:ORANGE
R:RED
W:WHITE
Y:YELLOW
P:PINK
B/W:BLACK/WHITE
Y/G:YELLOW/GREEN
R/W:RED/WHITE
Grounding system(DC): System Floating
Model:SC2400iP
W
W
B
B
B
L
P
Y
R
Br
R/W
B
B
Y
G/Y
L
O
B/W
B
W
B
Br
R/W
L
O
R
B
B/W
Secondary
coil
DC coil
Stator
coil
Stepping
motor
Trigger
Low oil shutdown
module
Starting dial
switch
GND
Ignition coil
Control
module
ENGINE
CONTROL
PANEL
O
B
W
Br
Low idle
switch
R
W
W
B
LED data
center
module
Fuel
level
sensor
R
Y
Y
L
O
G
Parallel
Ports
-
USB
L
L
+
12V
DC voltage regulator
rectifier
R
B
R
B
R
R
R
G/W
B
B
B B
W
W
9A
G/Y
G/Y
12V DC
20A
5-20R
30A
L5-30R
Y
Y
(Sensor)
CO indicator
Gy
Y
R
+
red or yellow LED
Gy
Y
R
G
W
Spark plug
B
W
W
W
B
B
B
ALTERNATOR
Br
B
W
CO sensor
module
CO flameout
actuator
20A
30A

Related product manuals