EasyManua.ls Logo

IVT E11 - Page 17

IVT E11
100 pages
Print Icon
To Next Page IconTo Next Page
To Next Page IconTo Next Page
To Previous Page IconTo Previous Page
To Previous Page IconTo Previous Page
Loading...
Technical information
6 720 643 409 (2010/03)
17
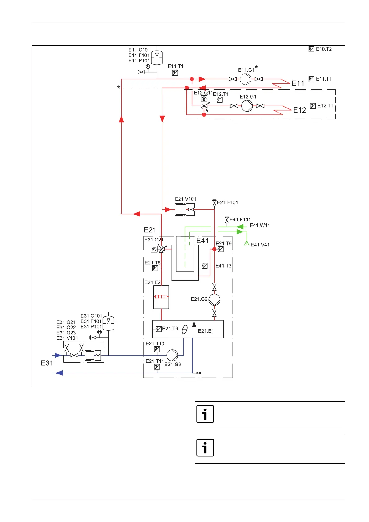
Fig. 14 Non-shunted and shunted heating circuit with buffer tank
An absolute prerequisite for the connection is that a
minimum flow of at least 70% of the nominal flow can be
maintained throughout the year.
* If a bypass is used and an external circulation pump is
fitted, the flow over the heating system can be reduced
by 40% of the nominal flow of the heat pump. Ensure
that the larger section of the thermostat valves is fully
open. Otherwise a an accumulator tank of at least 100
litres in capacity must be fitted. The bypass length must
be at least ten times that of the pipe’s inner dimension.
6 720 641 855-11 .1I
For explanations for the system solutions
(Æ 7.2.1).
For circuit E12 bypass solution and
accessory IVT mixing valve module 1000 is
required

Table of Contents

Related product manuals