EasyManua.ls Logo

Jack H2 Series - Machine Test Run Procedures; Initial Lubrication and Low-Speed Testing

Jack H2 Series
21 pages
Print Icon
To Next Page IconTo Next Page
To Next Page IconTo Next Page
To Previous Page IconTo Previous Page
To Previous Page IconTo Previous Page
Loading...
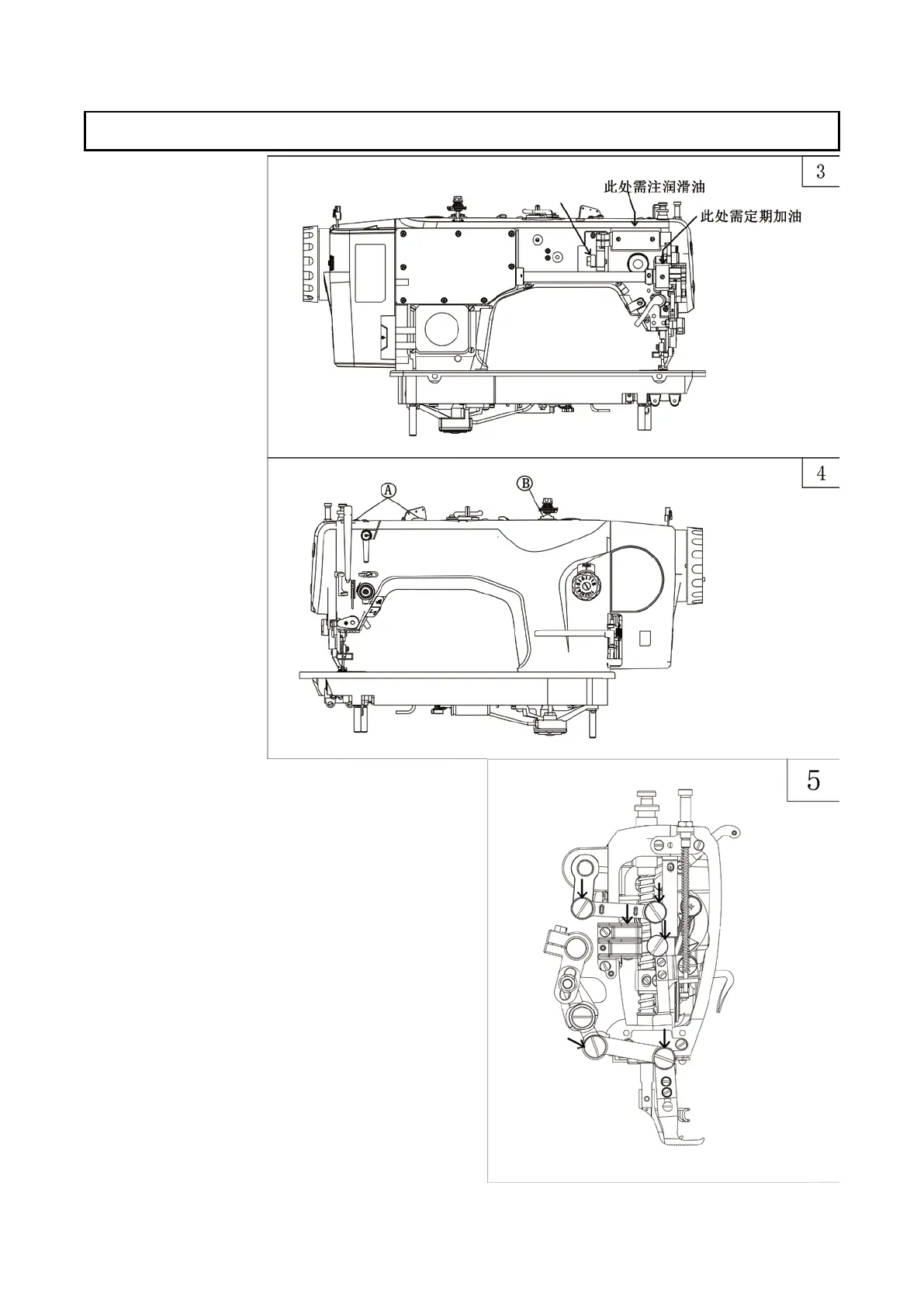
新机器在开始使用
和长期搁置重新使用时
先卸下机头上部的橡皮
塞(A)和面板,按图
示的位置充分加油,然
后装上面板,抬起压脚
进行低速运转 1000-
1500 /分,并观察油
窗(B)的喷油情况,
润滑正常后,仍需保持
低速 30 分钟的运转试
,以后逐步提高缝纫
速度;经过一个月左右
的使用,使机器充分跑
合。然后根据工作的性
质再提高到一定缝速。
4 箭头所示,提升轴
中套处每隔半年加注固
体润滑脂,摆动轴前套
处每隔 1-2 天滴加白油
1-2 滴,溢出白油擦拭
干净。
When the new
machine starts to use or
is put on hold for a long time, it first unloads the rubber
plug (A) and the panel on the upper part of the machine
head, fills up the oil sufficiently according to the graphic
position, then installs the upper panel, and raises the
Presser Foot to run1000-1500 needles/min at low speed,
and observes the oil injection situation of the oil
window(B). After lubrication is normal, it still needs to
keep running at low speed for 30 minutes. After testing,
the sewing speed is gradually increased, and after about
one month's use , the machine can fully run and sew. Then
according to the nature of the work, it can be increased to
a certain seam speed. As shown by the arrow in Fig.4, the
solid grease is added every six months in the sleeve of the
lifting shaft, and 1-2 drops of white oil are added every 1-2
days in the front sleeve of the swinging shaft, and the
white oil is wiped clean.
5.
试车(图
3
4
5
/Test run
Fig 3 4 5
3

Table of Contents

Related product manuals