EasyManua.ls Logo

Jack SUPER JACK SJ125 - Wiring Diagram

Jack SUPER JACK SJ125
56 pages
Print Icon
To Next Page IconTo Next Page
To Next Page IconTo Next Page
To Previous Page IconTo Previous Page
To Previous Page IconTo Previous Page
Loading...
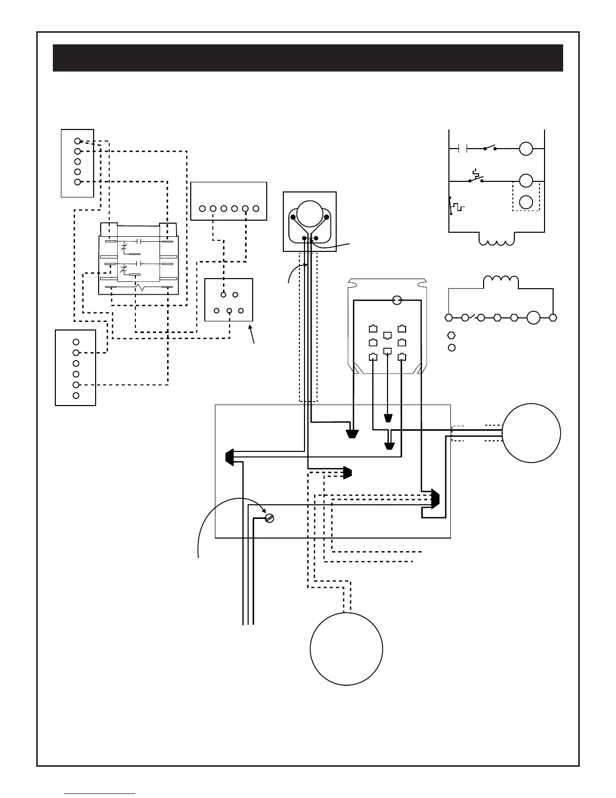
Rc R Y C W G
R
C
W G Y
F L
JUMPER
R R W G CY
INDICATES TRANS-RELAY TERMINALS
INDICATES THERMOSTAT TERMINALS
AIR
CIRCULATING
BLOWER
(OPTIONAL)
TRANSFORMER
RELAY
FRONT VIEW
TRANSFORMER
RELAY
BACK VIEW
HONEYWELL
DIGITAL
THERMOSTAT
(Jack Furnace)
FAN AND LIMIT
CONTROL
COMBUSTION
BLOWER
ADD-ON
FURNACE
BLOWER
EXISTING
FURNACE
BLOWER
RED
WHITE
BLACK
To Existing
Furnace Blower
POWER SUPPLY (115 V)
WITH GROUND
AND FUSED SWITCH
GROUND
WHITE
BLACK
BLACK
BLACK
WHITE
WHITE
WHITE
BLACK
WHITE
BROWN
TRANSFORMER
RED
CONDUIT
DRAFT
BLOWER
(STANDARD)
BLACK
GREEN
BLACK
R
RC
Y
C
W
G
R
Y
C
W
G
EXISTING
FURNACE
EXISTING
FURNACE
THERMOSTAT
1
4
3
6
5
COIL
2
BLACK
BLACK
RED
INTERLOCK
Use Copper Conductors
28
Wiring Diagram
DRAFT
INDUCER
BLOWER
EXISTING
FURNACE
BLOWER
DRAFT
INDUCER
MOTOR
(STANDARD)