EasyManua.ls Logo

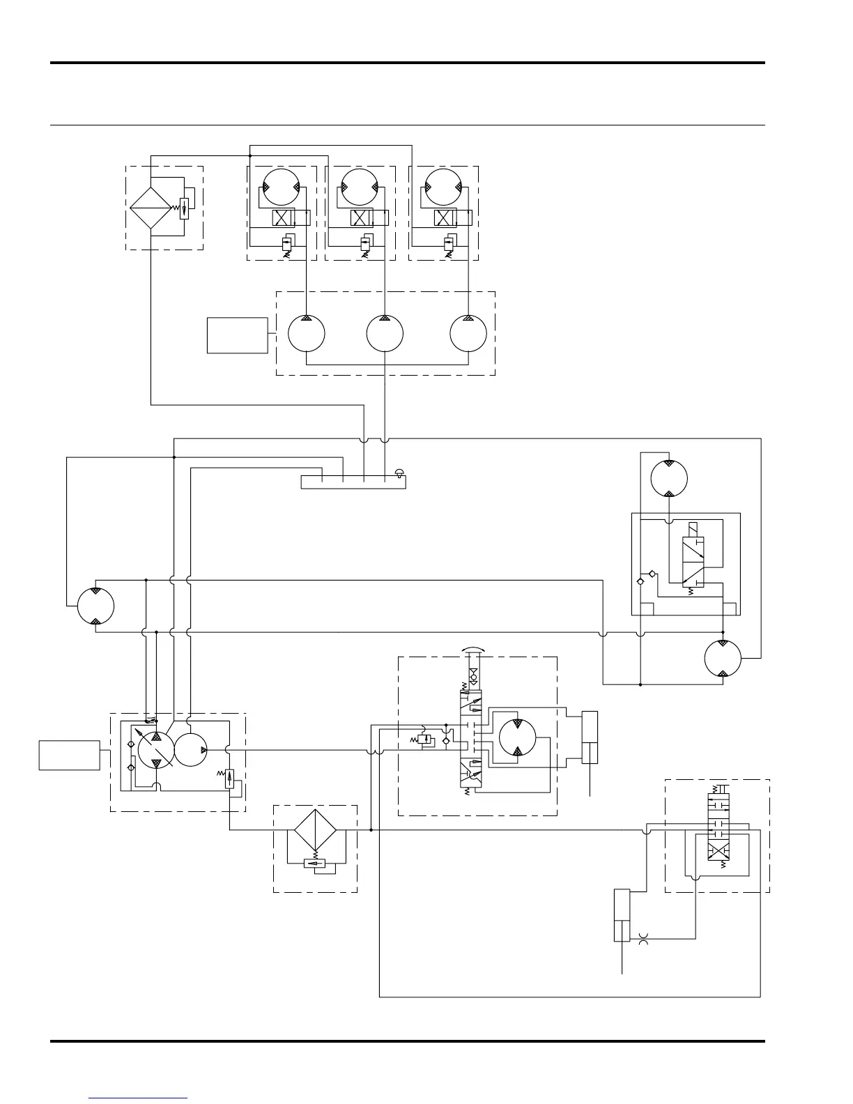
Jacobsen 67042 - Hydraulic Schematic

Jacobsen 67042
118 pages
Print Icon
To Next Page IconTo Next Page
To Next Page IconTo Next Page
To Previous Page IconTo Previous Page
To Previous Page IconTo Previous Page
Loading...
110
Rear
Wheel
Motor
Left
Wheel
Motor
Right
Wheel
Motor
Traction Pump
Engine
Direct
Drive
3400 RPM
Reel Motors
Right
Center
Left
Electric
Clutch
Filter
Tank
5.5 Gals. in System
Steering
Cylinder
Steering Valve
Filter
Lift
Cylinder
Lift Valve
3WD
Valve
A
T
B
P
PB
T
P
L
R
1
2
A1
A
B1
B
A
B
TRI-KING
42.1 Hydraulic Schematic
Serial No. All

Table of Contents

Related product manuals