EasyManua.ls Logo

Jacobsen 67042 - Frame

Jacobsen 67042
118 pages
Print Icon
To Next Page IconTo Next Page
To Next Page IconTo Next Page
To Previous Page IconTo Previous Page
To Previous Page IconTo Previous Page
Loading...
53
> Change from previous revision
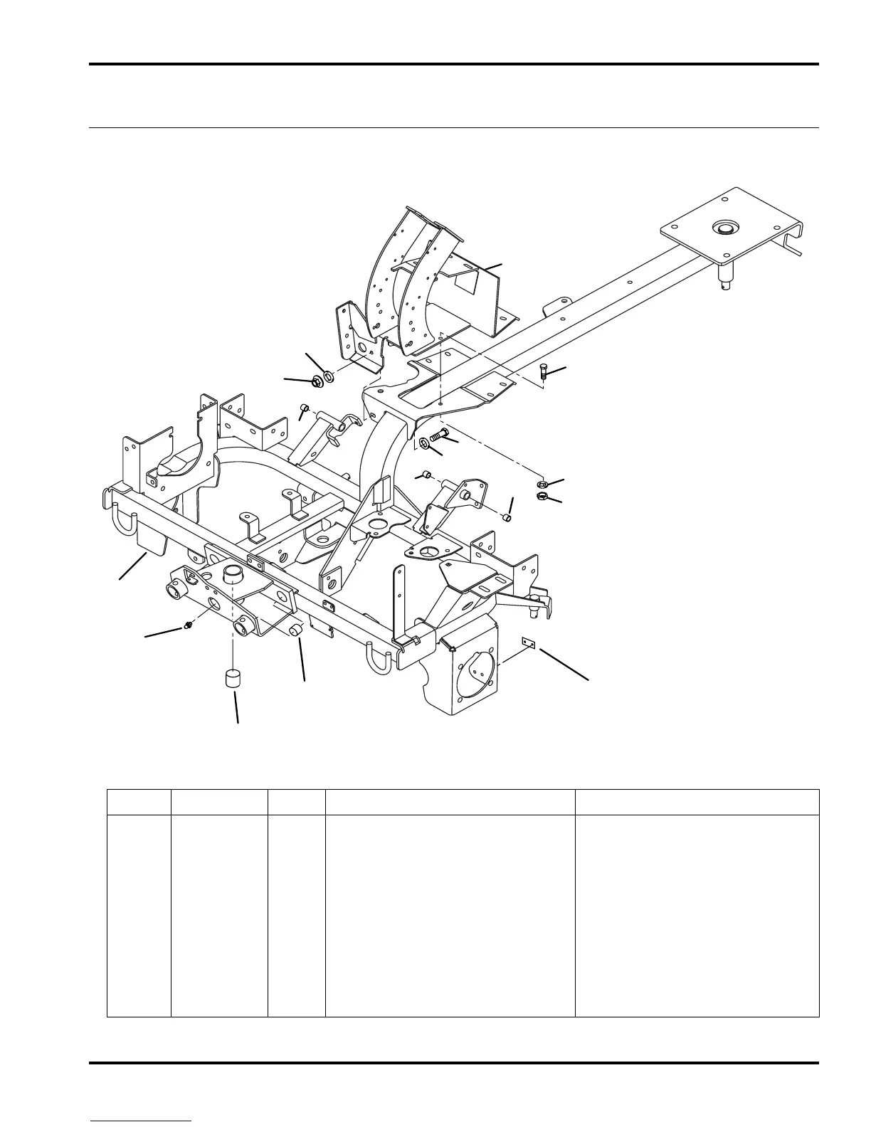
Item Part No. Qty. Description Serial Numbers/Notes
1
4130752 1 Frame
2 328133 4 Bushing
3 3002170 4 Bushing
4 365106 2 Bushing
5 471216 1 Grease Fitting
6 2811393 1 Column Assembly
7 400188 2 Screw. 5/16-18 x 1” Hex Head
8 445781 2 Nut, 5/16-18 Whizlock Flange
9 452006 2 Flat Washer, 5/16
Serial Plate
2
2
2
5
4
3
1
7
8
6
9
9
9
8
7
TRI-KING
12.1 Frame
Diesel Engine
Serial No. 67043-All

Table of Contents

Related product manuals