EasyManua.ls Logo

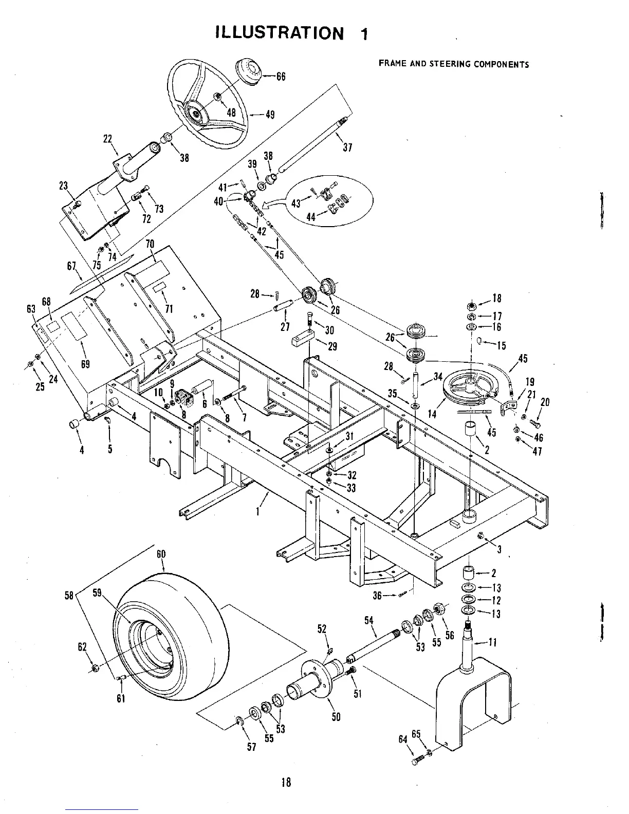
Jacobsen Turfcat II GA 200 - Frame and Steering Components

Jacobsen Turfcat II GA 200
36 pages
Print Icon
To Next Page IconTo Next Page
To Next Page IconTo Next Page
To Previous Page IconTo Previous Page
To Previous Page IconTo Previous Page
Loading...

Related product manuals