EasyManua.ls Logo

Jacuzzi Salon J5 - Reference Illustration for a Pure Air System

Jacuzzi Salon J5
14 pages
Print Icon
To Next Page IconTo Next Page
To Next Page IconTo Next Page
To Previous Page IconTo Previous Page
To Previous Page IconTo Previous Page
Loading...
www.jacuzzi.com Page 3
Experience English
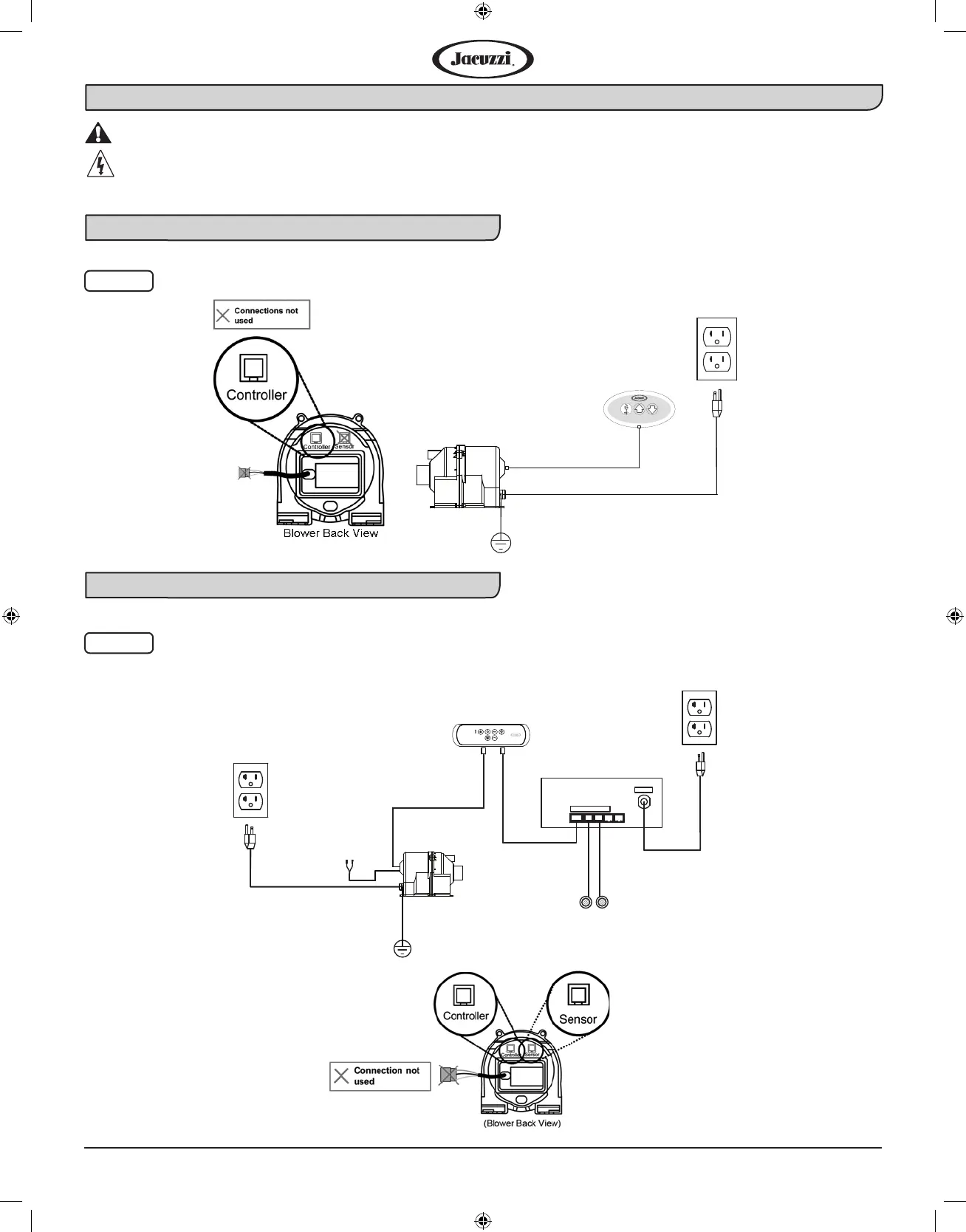
Reference Illustration for a Pure Air® System
These illustrations are for reference only, as the unit comes fully assembled.
DANGER: RISK OF ELECTRIC SHOCK! Before servicing these connections, disconnect all
power supply cables to both 120 VAC services.
J2 Control Panel Pure Air® Schematic Diagram
J4 Control Panel Pure Air® Schematic Diagram
Fig. 2
CONTROL
PANEL
BLOWER
120 VAC 15A
Dedicated GFCI
Circuit Required
G
Fig. 3
BLOWER
CONTROL PANEL
CHROMATHERAPY
LIGHTS 2X
Auto-Dri™
SENSOR
CABLE
LIGHT CONTROL
BOX
120 VAC
Panel
LED Light
120VAC 15A
Dedicated GFCI
Circuit Required
120VAC 15A
Dedicated GFCI
Circuit Required

Related product manuals