EasyManua.ls Logo

Janfire Flex-a - Electrical Connection Diagram; Component Wiring Overview

Janfire Flex-a
19 pages
Print Icon
To Next Page IconTo Next Page
To Next Page IconTo Next Page
To Previous Page IconTo Previous Page
To Previous Page IconTo Previous Page
Loading...
Installationsanvisning Janfire Flex - a
IA Brännare Flex-a R2 SV
Janfire 2009
17(19
)
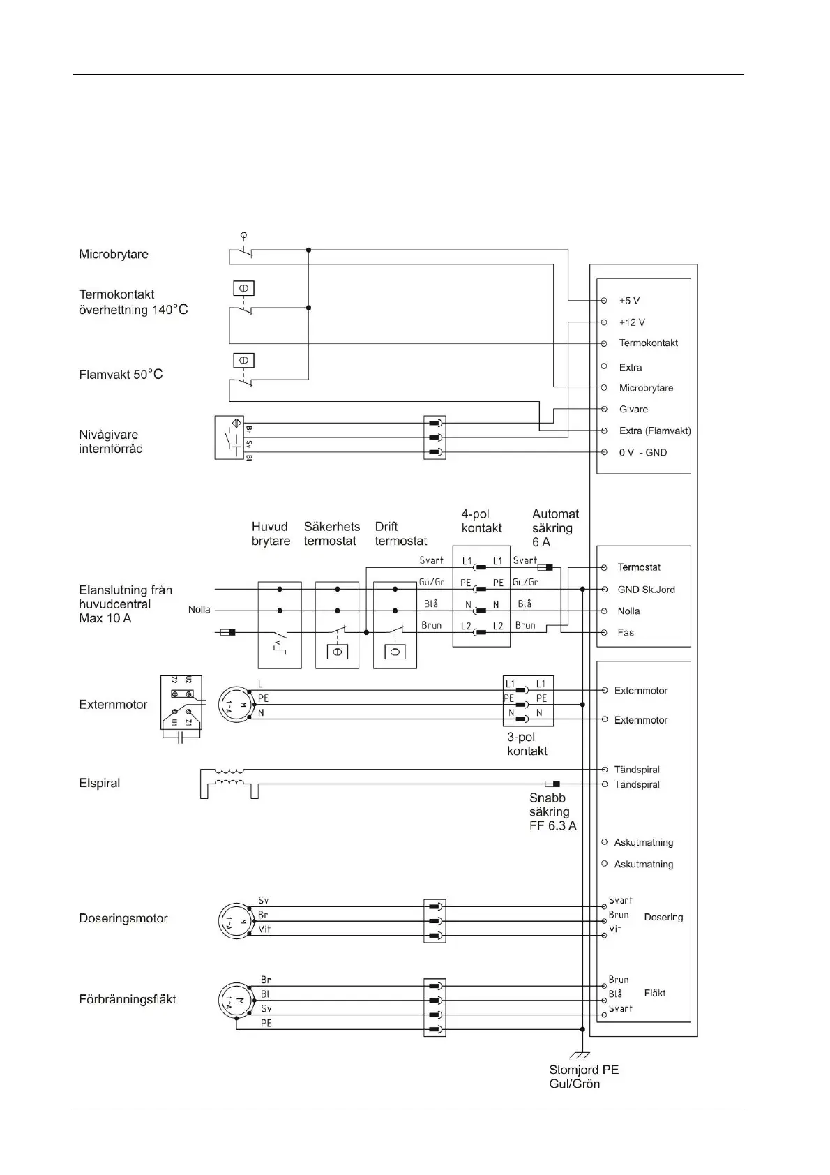
4 Inkopplingsschema El

Related product manuals