EasyManua.ls Logo

Jasic MIG 350 Compact - Schematic; Wiring Diagram for the JM-202 C & JM-252 C

Jasic MIG 350 Compact
48 pages
Print Icon
To Next Page IconTo Next Page
To Next Page IconTo Next Page
To Previous Page IconTo Previous Page
To Previous Page IconTo Previous Page
Loading...
45
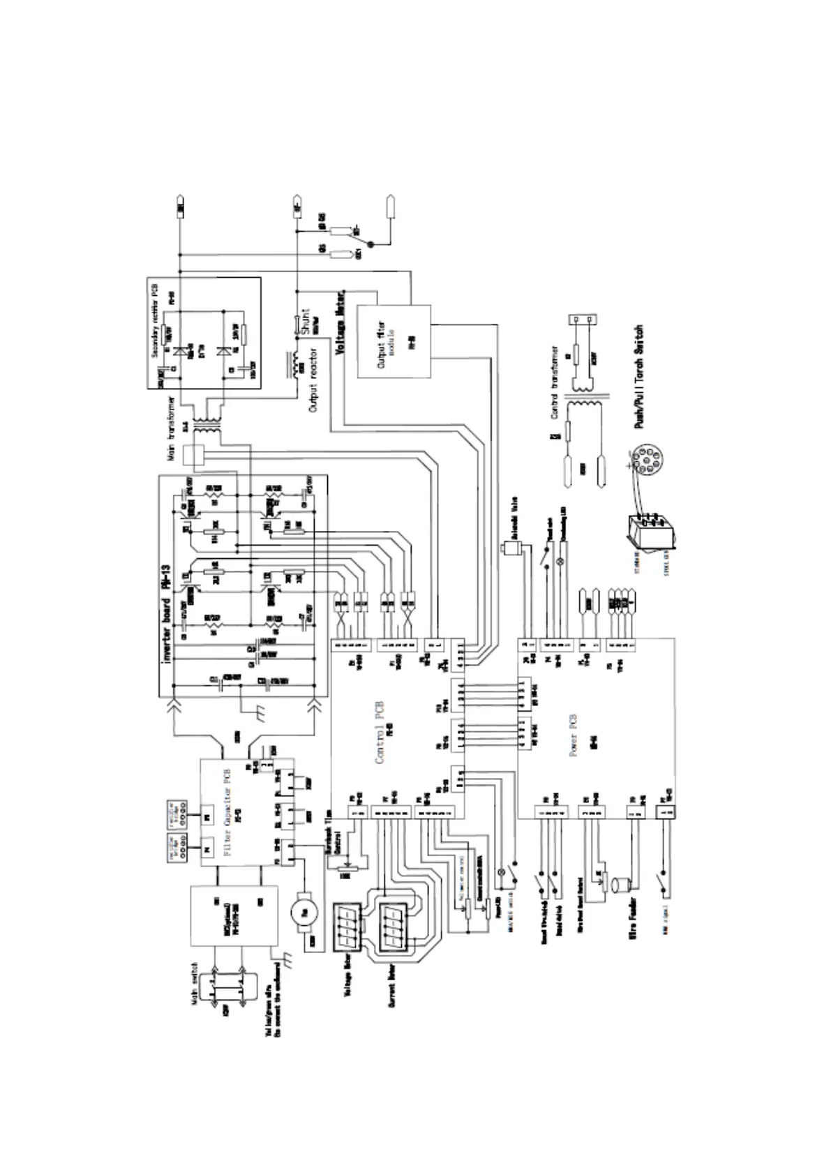
SCHEMATIC
Wiring diagram for the JM-202C & JM-252C

Related product manuals