EasyManua.ls Logo

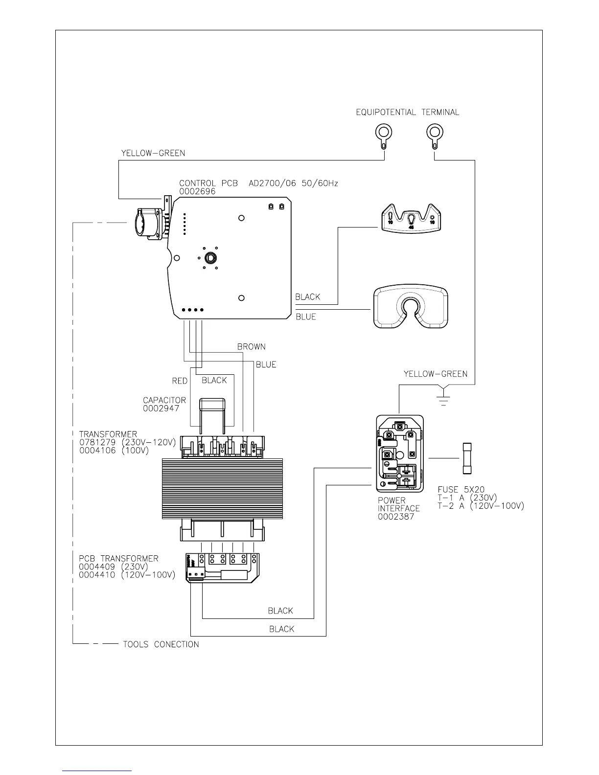
jbc AD 2700 - Electric Wiring Diagram

jbc AD 2700
41 pages
Print Icon
To Next Page IconTo Next Page
To Next Page IconTo Next Page
To Previous Page IconTo Previous Page
To Previous Page IconTo Previous Page
Loading...
ELECTRIC WIRING DIAGRAM

Related product manuals