EasyManua.ls Logo

JBL LSR28P - Component Identification; Component Exploded View; Component Parts List

JBL LSR28P
75 pages
Print Icon
To Next Page IconTo Next Page
To Next Page IconTo Next Page
To Previous Page IconTo Previous Page
To Previous Page IconTo Previous Page
Loading...
50
LSR28P
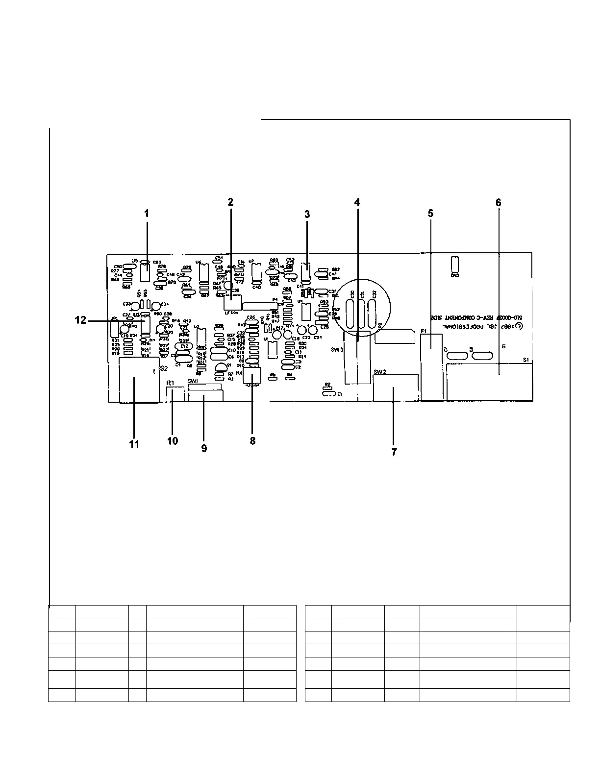
COMPONENT EXPLODED VIEW
COMPONENT PARTS LIST
Item Part No. Qty. Description Ref. Des. Item Part No. Qty. Description Ref. Des.
1 684-00003-00 3 IC,NJM4560D U2,U5,U6,U7 7 546-00005-00 1 SW, Voltage Selector SW2
2 660-00027-01 1 RES.TRIM POT 5K R56 8 660-00027-00 1 RES,TRM POT 500 R4
3 684-00000-00 3 IC,NJM2068D U1,U4,U8 9 548-00018-01 1 SW,DIP,8 WAY SW1
4 546-00004-00 1 SW, Power SW3 10 660-00027-02 1 RES.TRIM POT 50K R1
5 452-00003-01 1
FUSE HOLDER(Body
Only)
F1 11 424-00080-01 1 CONN,XLR COMBO S2
6 424-00079-01 1 CONN,IEC,AC POWER S1 12 680-00019-00 1 IC, OP275 U3

Related product manuals