EasyManua.ls Logo

JBL P80.4 - Page 16

JBL P80.4
17 pages
Print Icon
To Next Page IconTo Next Page
To Next Page IconTo Next Page
To Previous Page IconTo Previous Page
To Previous Page IconTo Previous Page
Loading...
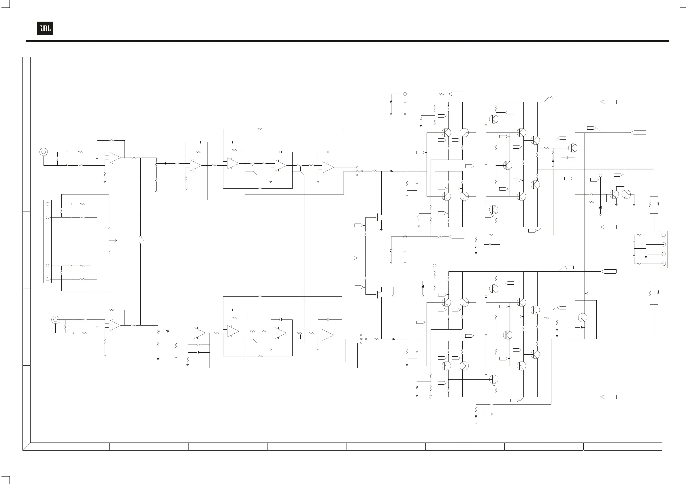
14
P-80.4
Power Amplifier (Sheet 2)
Multichannel Automotive Amplifier
SW102A
JSS2208
UC400277
VCC2
UC400275
VCC1
UC400272
VCC1
UC400274
VEE1
UC400454
MUTE
UC400276
VEE1
UC400278
VEE2
UC400273
PROT
SW01-B
JSS2308A
SW01-A
JSS2308A
RCA101A
DJB-562C
RCA101B
DJB-562C
P2
KTD-9221
U102-B
U101-A
2
2
2
2
2
3
3
3
3
3
1
1
1
1
1
U101-B
6
66
6
6
6
5
55
5
5
5
7
77
7 7
7
U105-B
U103-B
U104-B
U104-A
U103-A
U105-A
L201
CL-200C
L101
CL-200C
UC400775
UC400774
UC400780
UC400728
UC400399
UC300071
UC300075
UC300068
UC300072
UC300592
UC300063
UC300064
UC300062
UC300069 UC300070
UC400366
UC400363
UC400362
UC400361
UC000943
UC000947
UC400357
UC400356
UC300065
UC400445
UC400446
UC400396
UC400717
UC300591
UC400724
UC400725
U102-A
Q155
K30AGR
Q255
K30AGR
UC400483
UC400482
UC400481
CON01
MA-TB-65-1043-0x4
UC300965
UC000660
UC000657
UC000658
UC000659
D201
1N4148
D101
1N4148
D251
1N4148
D151
1N4148
VR102C
50KC
VR102B
50KC
VR102A
50KC
VR102D
50KC
VR101-A
20KB
VR101-B
20KB
R113
91KF
R112
15K
R111
15.2KF
R211
15.2KF
R212
9.4KF
R242
5.6K
R101
10K
R102
51.1KF
R103
51.1KF
R201
10K
R202
51.1KF
R203
51.1KF
R207
51.1KF
R213
47KF
R153
4.7/0.5W
R252
15K
R261
4.7/0.5W
R251
1.5K
R271
10.5KF
R272
1KF
R253
4.7/0.5W
R260
0.1/3W
R250
120
R236
47
R246
47
R237
3.9K
R235
1K
R234
22
R147
2.7K
R214
10K
R219
5.6K
R145
1K
R143
22
R144
22
R133
22
R134
22
R135
1K
R191
330/2W
R137
3.9K
R146
47
R136
47
R150
120
R160
0.1/3W
R291
330/2W
R172
1KF
R171
10.5KF
R151
1.5K
R161
4.7/0.5W
R152
15K
R181
56K
R217
10K
R233
22
R244
22
R243
22
R245
1K
R118
10K
R116
5.6K
R115
10K
R247
2.7K
R220
5.6KF
R121
22KF
R221
22KF
R109
1K
R107
51.1KF
R120
5.6KF
R215
10K
R209
1K
R210
1.3KF
R117
10K
R281
56K
R155
10K
R255
10K
R162
0.1/3W
R262
0.1/3W
R104
10K
R105
240K
R106
240K
R204
10K
R131
1K
R206
240K
R205
240K
R216
5.6K
R218
10K
R110
1.3KF
R119
5.6K
R114
10K
R108
51.1KF
R208
51.1KF
R141
1K
R132
5.6K
R142
5.6K
R231
1K
R232
5.6K
R241
1`K
D191
1N4744(15V)
D291
1N4744(15V)
C241
22/16V
C104
2.2/50V
C103
2.2/50V
C204
2.2/50V
C101
22/16V
C102
22/16V
C201
22/16V
C202
22/16V
C271
100/16V
C191
100/16V
C291
100/16V
C171
100/16V
C220
2.2\50V
C120
2.2\50V
C192
100/16V
C207
4.7/50V
C107
4.7/50V
C131
22/16V
C141
22/16V
C231
22/16V
C203
2.2/50V
C208
30P
C108
15P
C252
33P
C152
33P
C105
10P
C205
10P
C140
473(M)
C240
473(M)
C251
104P
C261
104(M)
C142
100P
C242
100P
C161
104(M)
C151
104P
C210
823M
C109
47P
C111
823M
C221
68P
C121
68P
C232
100P
C211
823M
C110
823M
C132
100P
C209
47P
Q245
TIP36C
Q244
A1023Y
Q233
A1268GR
Q241
A1268GR
Q141
A1268GR
Q133
A1268GR
Q144
A1023Y
Q145
TIP36C
Q242
A1268GR
Q142
A1268GR
Q232
C3200GR
Q132
C3200GR
Q281
C3198GR
Q251
C3200GR
Q235
TIP35C
Q234
C1027Y
Q243
C3200GR
Q240
C3200GR
Q231
C3200GR
Q131
C3200GR
Q140
C3200GR
Q143
C3200GR
Q134
C1027Y
Q135
TIP35C
Q151
C3200GR
Q181
C3198GR
+
+
-
-
X-OVER 32~320Hz
UNIVERSAL
INTERFACE
A
BRIDGE S/W
R
L
-21.5
-21.5
0.0
0.0
-24.5
-24.5
0.6
0.6
0.6
0.6
0.0
0.0
-0.6
-0.6
-0.6
-0.6
24.6
24.6
-24.6
-24.6
-24.6
-0.8
-0.8
-0.3
-0.3
0.3
0.3
0.8
0.8
25.5
25.6
25.6
25.6
25.5
25.6
0.0
0.0
0.0
0.0
25.6
-25.6
FRONT/L-CH
FRONT/R-CH
LPF
LPF
HPF
HPF
FLAT
FLAT
7
1
2
3
4
5
6
8
A
B
C
D
E
-
-
-
-
-
+
+
+
+
+
-
--
-
-
-
+
++
+
+
+

Related product manuals