EasyManua.ls Logo

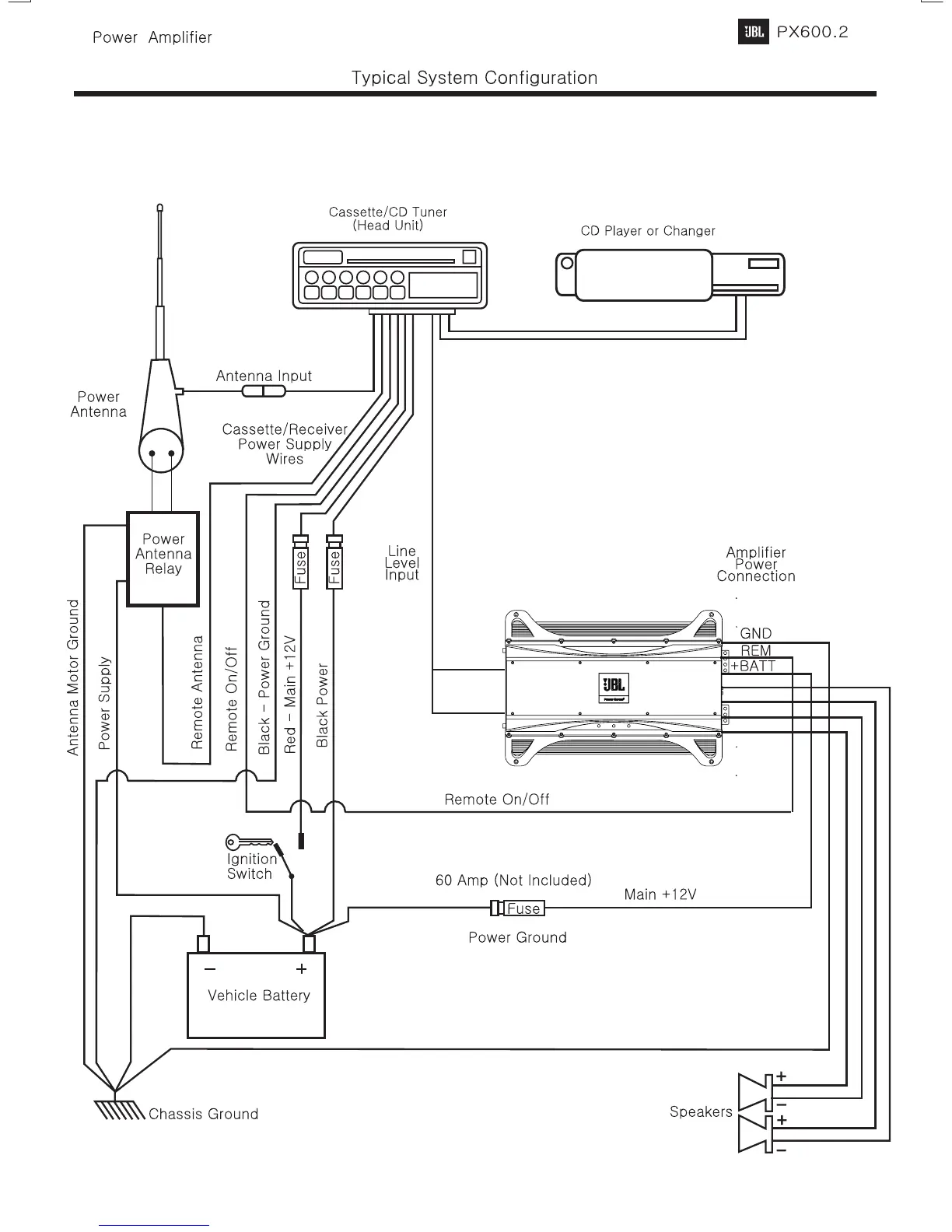
JBL PX600.2 - Typical System Configuration

JBL PX600.2
27 pages
Print Icon
To Next Page IconTo Next Page
To Next Page IconTo Next Page
To Previous Page IconTo Previous Page
To Previous Page IconTo Previous Page
Loading...

Related product manuals