EasyManua.ls Logo

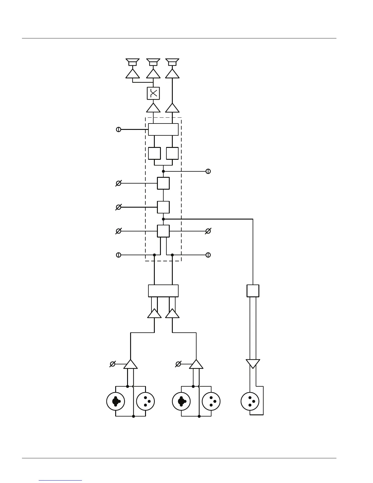
JBL SRX815P - SRX835 P Block Diagram; Signal Path Overview

JBL SRX815P
45 pages
Print Icon
To Next Page IconTo Next Page
To Next Page IconTo Next Page
To Previous Page IconTo Previous Page
To Previous Page IconTo Previous Page
Loading...
14
HPF
LPF
EQ LIMADC
DAC
MIC
LINE
CONSUMER
MIC
LINE
CONSUMER
CH2
SIGNAL 1
SIGNAL 2 LEVEL 2
LEVEL 1
PRESETS
GAIN
MASTER
SIGNAL
LIMIT
CROSSOVER
DSP
CH1
IN
IN
OUT
OUT
CH2
MIX
CH1
HF
MR
LF
SRX835P - BLOCK DIAGRAM

Other manuals for JBL SRX815P

Related product manuals