EasyManua.ls Logo

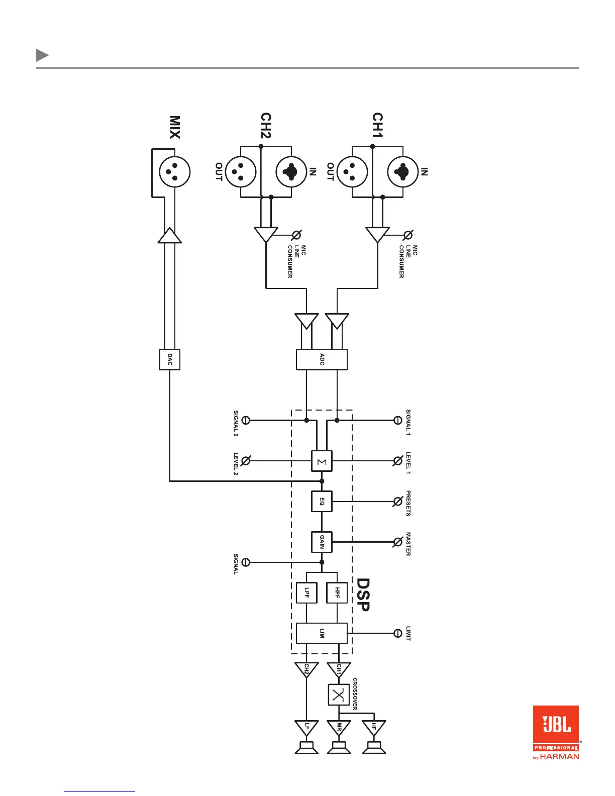
JBL SRX815P - SRX835 P Detailed Block Diagram; Audio Signal Flow

JBL SRX815P
45 pages
Print Icon
To Next Page IconTo Next Page
To Next Page IconTo Next Page
To Previous Page IconTo Previous Page
To Previous Page IconTo Previous Page
Loading...
#MPDL%JBHSBN
SRX835P 15” Three-Way Bass Reflex Self-Powered System

Other manuals for JBL SRX815P

Related product manuals