EasyManua.ls Logo

JBL VMA2120 - Page 25

JBL VMA2120
28 pages
Print Icon
To Next Page IconTo Next Page
To Next Page IconTo Next Page
To Previous Page IconTo Previous Page
To Previous Page IconTo Previous Page
Loading...
25
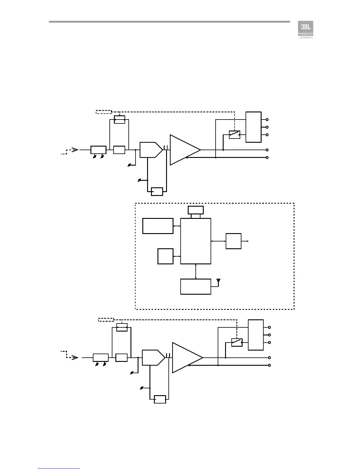
VMA260 & VMA2120 Continued
VCA
POWER
AMP
HPF
TONE
CONTROL
Hi-Z Switch
Feedback
MASTER VOLUME
REMOTE VOLUME
OUTPUT
TRANSFORMER
(CH 1)
100V
70V
COMMON
-
+
SPI CLIP
VCA
POWER
AMP
HPF
Feedback
REMOTE VOLUME
OUTPUT
TRANSFORMER
(CH 2)
100V
70V
COMMON
-
+
SPI CLIP
MASTER VOLUME
TONE
CONTROL
Hi-Z Switch
MCU
SDRAM
DAC
FLASH
BT MODULE
BT/USB
MCU SECTION
CRYSTAL

Related product manuals