EasyManua.ls Logo

jcb 215 - Synchro Shuttle Gearbox Diagram

jcb 215
890 pages
Print Icon
To Next Page IconTo Next Page
To Next Page IconTo Next Page
To Previous Page IconTo Previous Page
To Previous Page IconTo Previous Page
Loading...
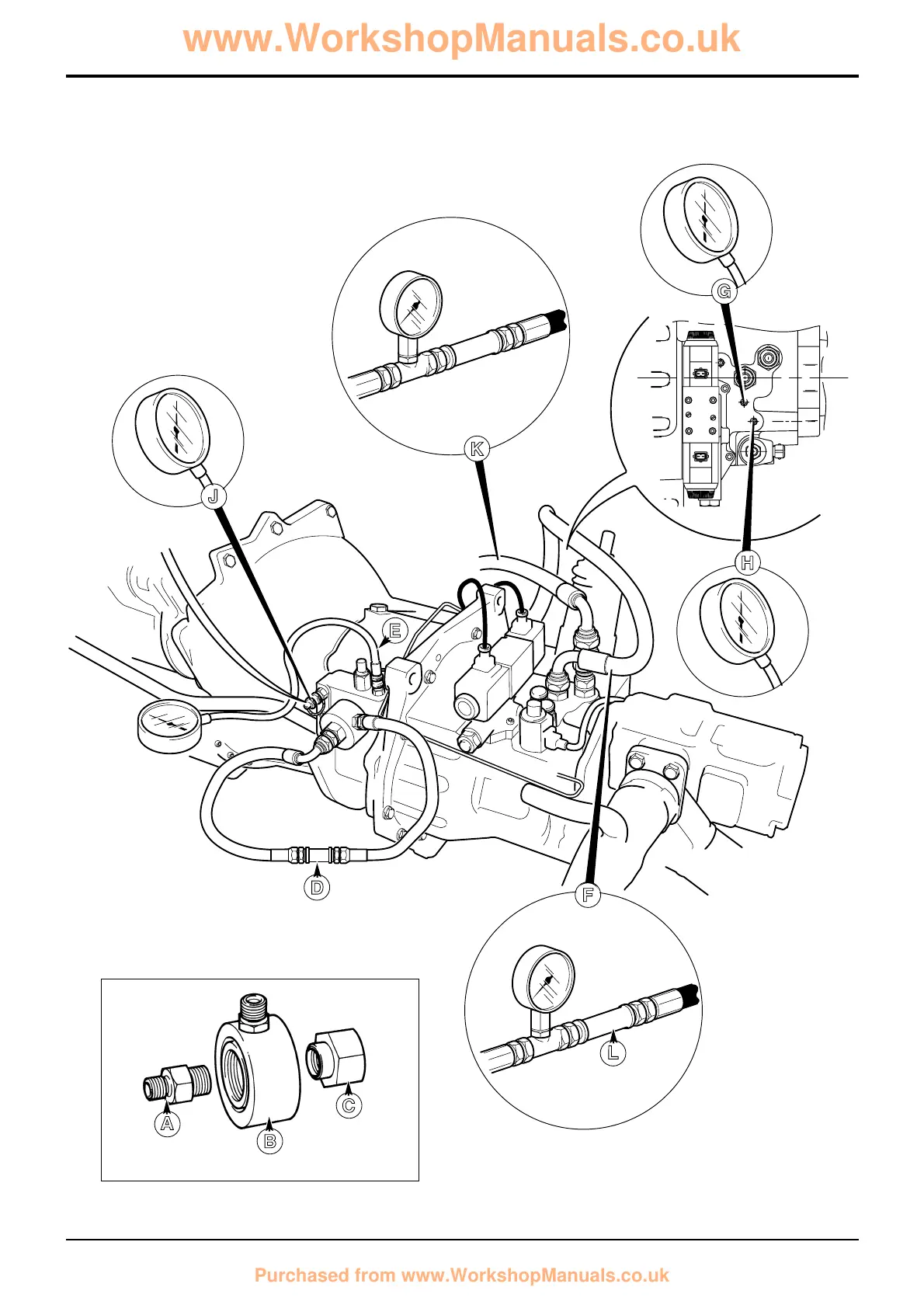
55 - 1
Section F Transmission
9803/3280
Section F
55 - 1
Issue 1
Service Procedures
A396910
A
B
C
S266880
E
L
D
K
J
G
H
F
www.WorkshopManuals.co.uk
Purchased from www.WorkshopManuals.co.uk

Table of Contents

Other manuals for jcb 215

Related product manuals