EasyManua.ls Logo

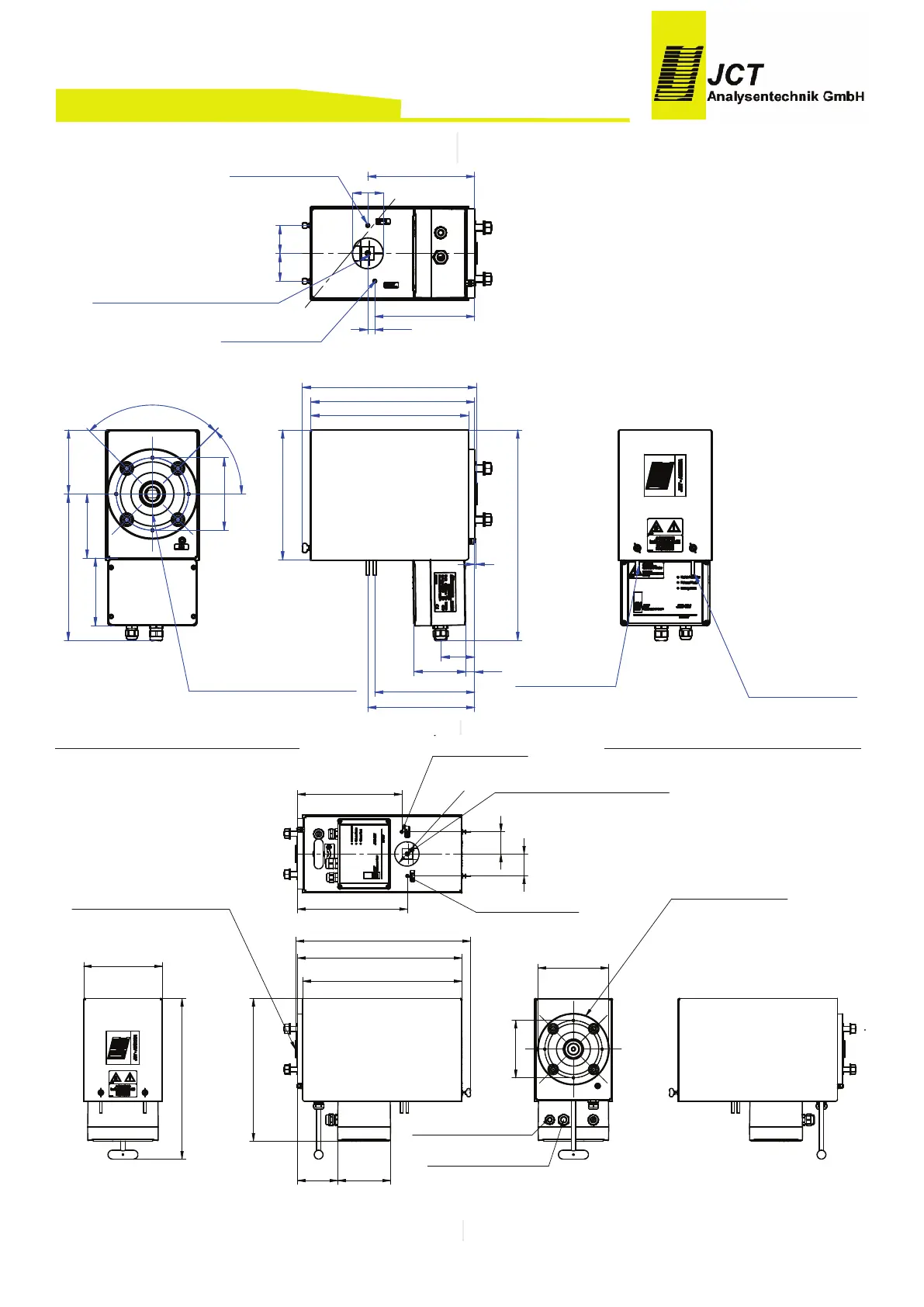
Jct JES-301 - Abmessungen; Dimensions

Default Icon
34 pages
Print Icon
To Next Page IconTo Next Page
To Next Page IconTo Next Page
To Previous Page IconTo Previous Page
To Previous Page IconTo Previous Page
Loading...
D
imensions11.
M
anual JES-301/JES-301V
Abmessungen11.
BA_DE_JES301_v2.1 ––––––––––––––– [ 24 / 34 ] –––––––––––––––––
,
,
,
,
,
, ,
,
,
,
GmbH
A
 ,,/,("&,9"","(9,9(,9&9,(,,9"(,",,A&0=,88B, ,6/
% , , , , , , , , , , , , , , , , , , , , , , , , ,
,
,
, ,
, , ,
, , ,,53/.-
, , , , , ,,
,








!"#$%&'()
*
+!"#$%&,+)

-
.
.




/0$-&'()
*+0$-&,+)
%-














GmbH
A
 7,,( 4,( %84%9,(!:$%$%;07
/ 1








 !"#$%&'()
*+ !"#$%&,+)

#
-
#
#
#
#-%
# #
./$&'()
*+/$&,+)
,0 $! 
. #1#
,0 $! 
). #1#
234#
)4#
23#4#
)#4#

JES-301V with process shut-off valveJES-301V mit Prozessabsperrventil

Table of Contents