EasyManua.ls Logo

Jeanneau 64 - Layout Diagram - DC Circuit

Jeanneau 64
80 pages
Print Icon
To Next Page IconTo Next Page
To Next Page IconTo Next Page
To Previous Page IconTo Previous Page
To Previous Page IconTo Previous Page
Loading...
- 78 -
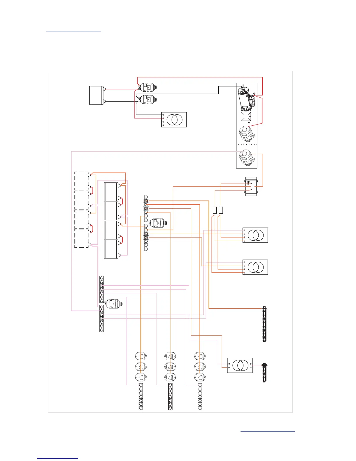
8.2.9 Layout diagram - DC circuit
-
+
-
+
-
+
-
+
-
+
1DM -95mm²
1DM -95mm²
1DM
1BA -95m
1BA -95mm²
1CB -10mm²
1CB1 -10m
-
+
-
+
-
+
-
+
2AT1 -35mm²
2AT1 -35mm²
2
1
+
-
2CB -25mm²
2CB1 - 25mm²
2CB2 - 10mm²
2CB3 -10mm²
2CB3 -10mm²
2CB2 -10mm²
2AT2 -35mm²
20A
20A
3CB -25mm²
3CB1 -25m
3CB2 -10mm²
3CB3 -10mm²
100A 100A
100A
24V
12V
-35mm²
1CB2 -10mm²
50A
-95mm²
-95mm²
-95mm²
-95m
-95m
-95m
-10mm²
-10mm²
-10mm²
-95mm²
-95mm²
21+-
-
+
- +
2
1
+
-

Table of Contents

Related product manuals