EasyManua.ls Logo

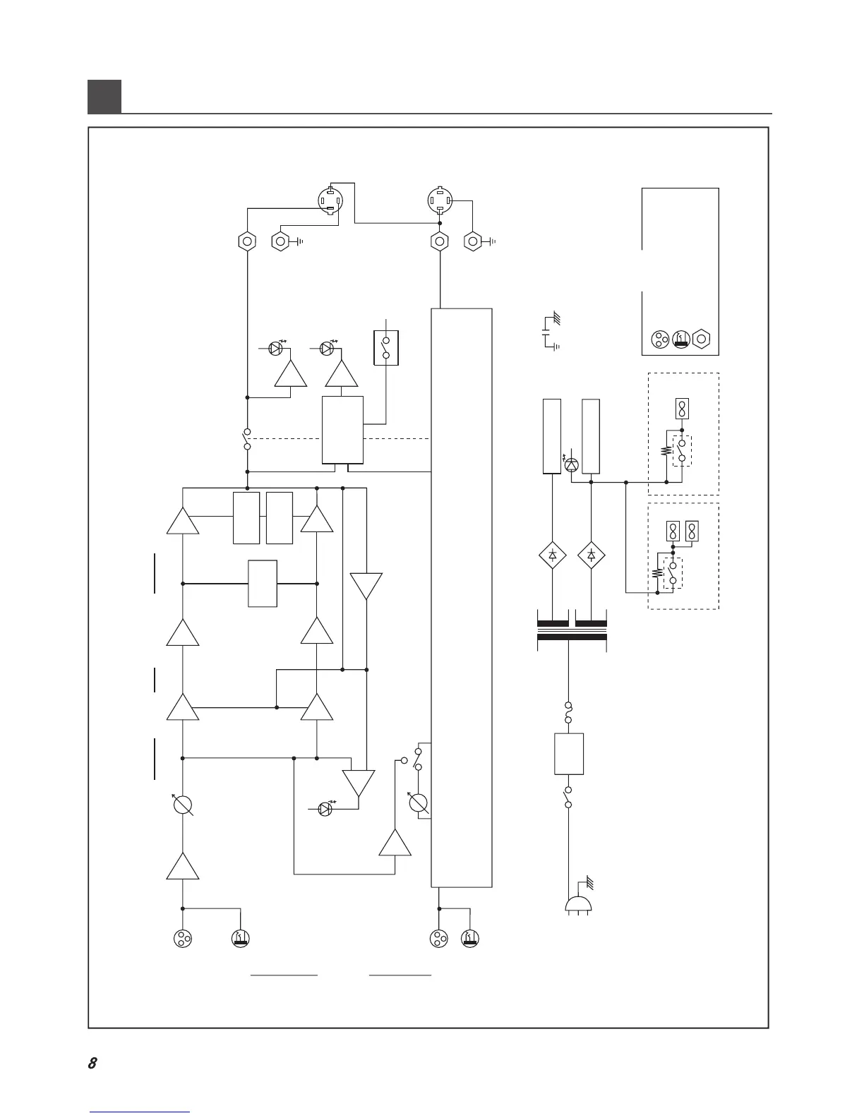
Jedia JMA-300A - Block Diagram

Default Icon
11 pages
Print Icon
To Next Page IconTo Next Page
To Next Page IconTo Next Page
To Previous Page IconTo Previous Page
To Previous Page IconTo Previous Page
Loading...
INPUT
LINK
1.6V RMS
+4dB
15Kohm
BALANCED
INPUT
LINK
BALANCED
AMP
E.B
COMP
AMP
CLIP
INDICATOR
INVER TING
LEVEL
DIF AMP VOLTAGE AMP
+ +
-
PO
WER AMP
MONO/STEREO
POWER
SWITCH
AC
FUSE
-
BIAS
SENSOR
CURRENT
LIMITER
CURRENT
LIMITER
SPEAKER
PROTECT OR
D.C
SERVO
CHANNEL 2 AMPLIFIER
POWER TRANS
NEGATIVE FEEDBA CK
+
-
DRIVER
DRIVER
TEMP SEN
VCC
PROTECT
INDICATOR
OUTPUT
SIGNAL
INDICATOR
CH1
OUTPUT
CH2
OUTPUT
CH1/BRIDGED
MONO OUTPUT
FAN
JMA-600N, 900 ONL Y
MAIN PO WER
PROT POWER
POWER INDICA TOR
FAN
JMA-300N ONL Y
NOTICE
: XLR CONNECT OR
: 1/4" PHONE JACK
: BINDING POST TERMINAL
LEVEL
AC POWER
120V/220V/230V/
240V 50/60Hz
(OPTION)
+
SOFT
START
B
LOCK DIAGRAM (블럭도)

Related product manuals