EasyManua.ls Logo

Jensen CAR813 - Page 2

Jensen CAR813
18 pages
Print Icon
To Next Page IconTo Next Page
To Next Page IconTo Next Page
To Previous Page IconTo Previous Page
To Previous Page IconTo Previous Page
Loading...
"
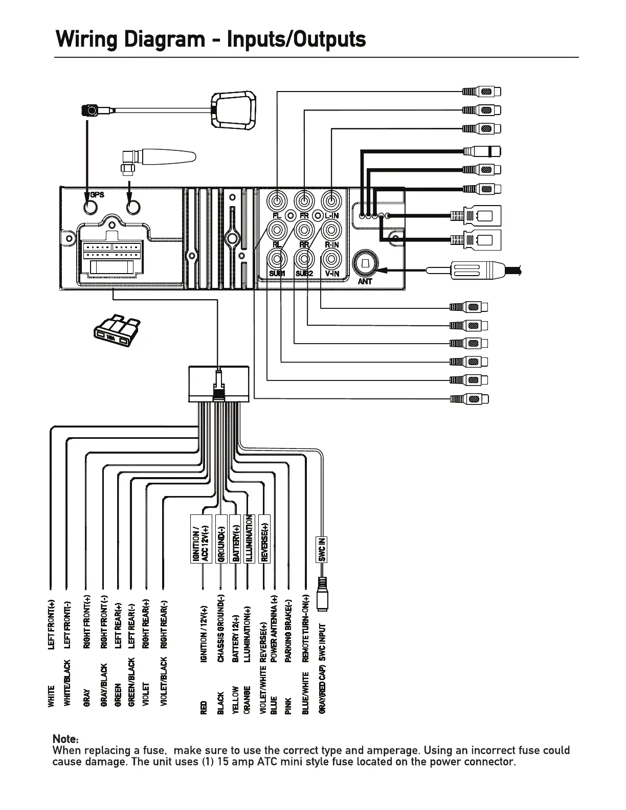
15AMP ATC REPLACEMENT FUSE
White
Front Left Preamp Output
Front Right Preamp Output
Left Audio Input
External MIC Input
Front Camera Input
Rear Camera Input
CarPlay/ Android Auto
USB/ Charging
Yellow
Red
Blue
Red
Blue
White
Right Audio Input
SUB-OUT2
Rear Right Preamp Output
SUB-OUT1
Rear Left Preamp Output
White
Red
Radio Antenna
GPS ANT
WiFi ANT
Video Input
Note: Works for Apple CarPlay
and Android Auto only.
WiFi

Other manuals for Jensen CAR813

Related product manuals