EasyManua.ls Logo

Jet-tech F18 - Electrical Sequence: Fill Cycle; Fill Cycle Operation Details

Jet-tech F18
33 pages
Print Icon
To Next Page IconTo Next Page
To Next Page IconTo Next Page
To Previous Page IconTo Previous Page
To Previous Page IconTo Previous Page
Loading...
23
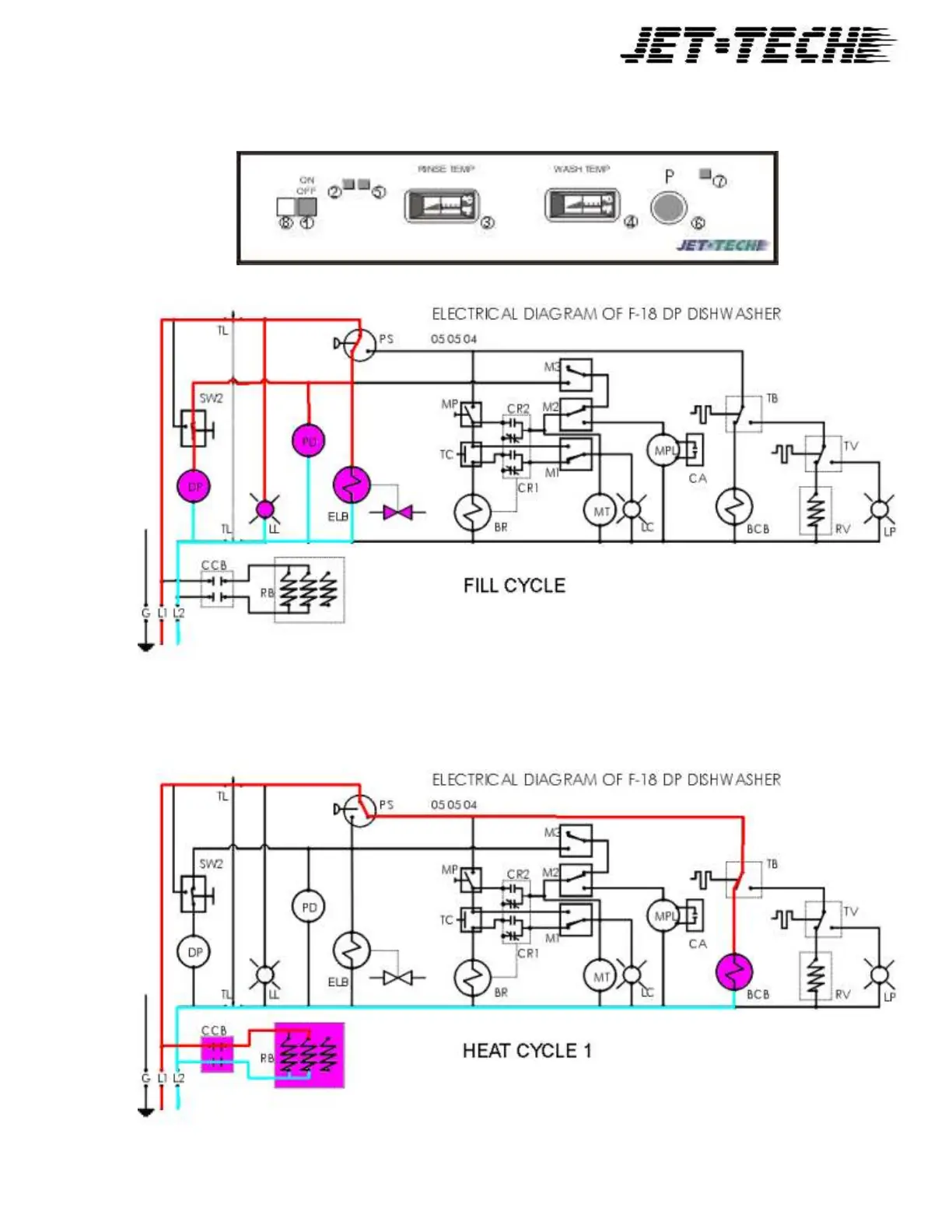
ELECTRICAL SEQUENCE
As the unit is powered by the Power Switch (1), it energizes LL(2).
The Pressure-switch PS energies the solenoid valve ELB (to fill the wash tank), the detergent pump
PD and the drain pump DP.
When the pressure-switch PS(20058) is satisfied, it energizes the Booster relay contactor
BCB(20104) by the rinse thermostat TB(20596).
1 888 275 4538 - 611
514 737 9701 - 611
FAX 514 737 2792

Related product manuals