EasyManua.ls Logo

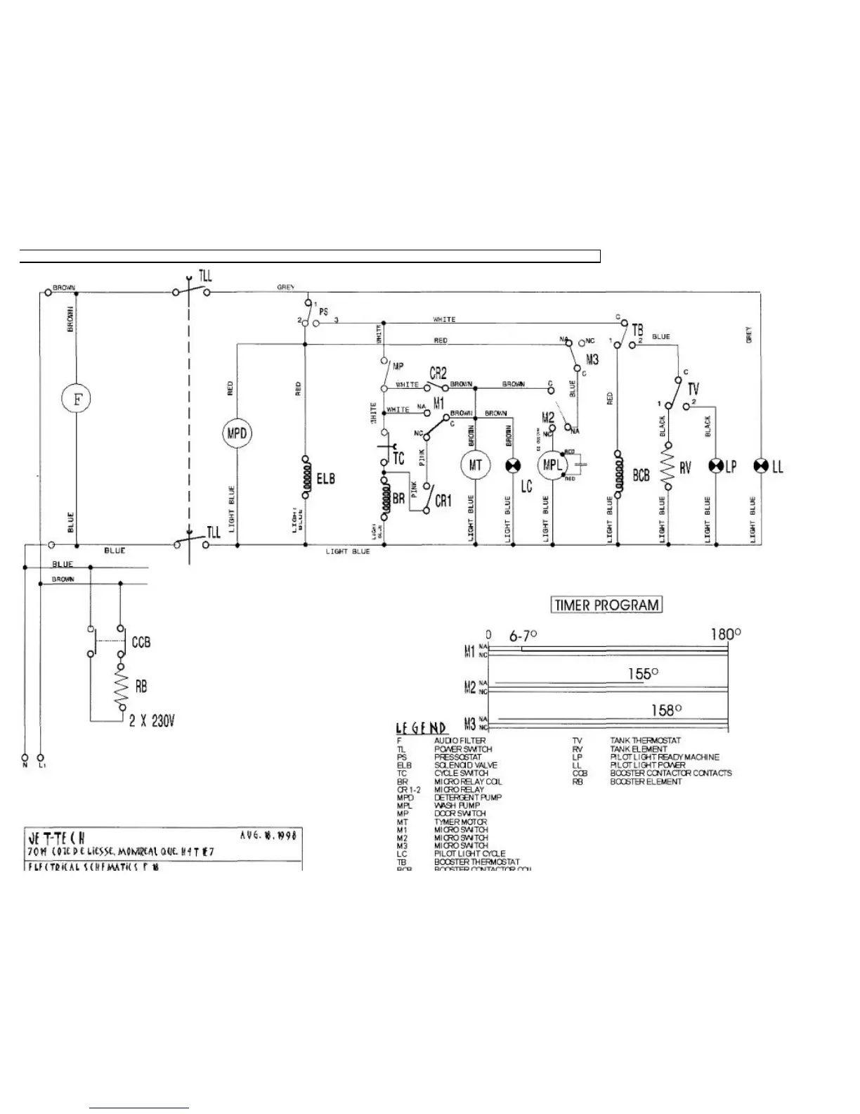
Jet-tech F18F18DP - F-18 ELECTRICAL DIAGRAM; LEGEND

Jet-tech F18F18DP
8 pages
Print Icon
To Next Page IconTo Next Page
To Next Page IconTo Next Page
To Previous Page IconTo Previous Page
To Previous Page IconTo Previous Page
Loading...
F
-
18 ELECTRICAL DIAGRAM

Related product manuals