EasyManua.ls Logo

JetCat P180 - Electrical Connection Diagram (1;2)

Default Icon
74 pages
Print Icon
To Next Page IconTo Next Page
To Next Page IconTo Next Page
To Previous Page IconTo Previous Page
To Previous Page IconTo Previous Page
Loading...
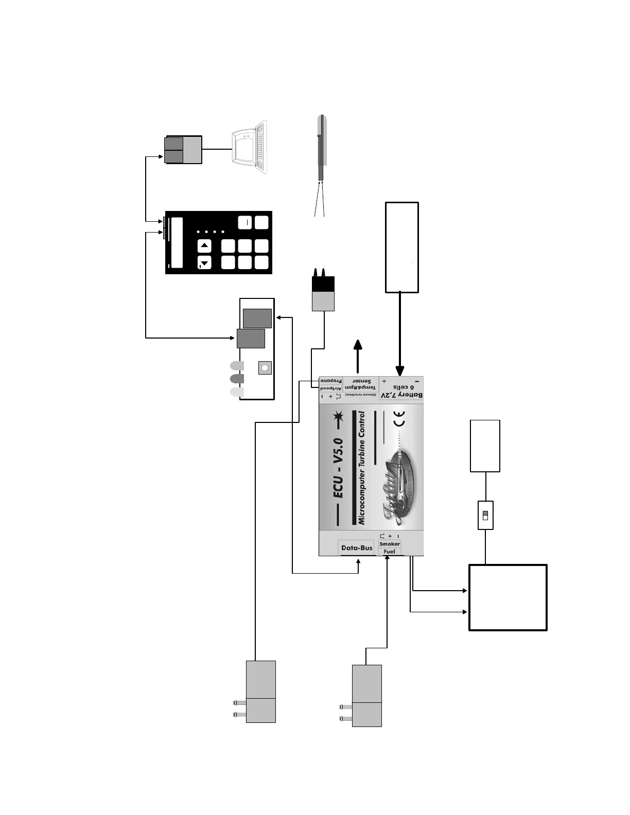
Electrical connection diagram (1/2)
AUXTHR
RC
receiver
(Empfänger)
"phone"- cable
("Telefonkabel")
The sequence of these connections can be changed as required (parallel bus system)
(Die Reihenfolge der Verbindungen spielt keine Rolle --> paralleles Bussystem)
Connection - diagramm
(Verbindungsschema)
ECU top-view
(von oben)
NiCad
battery (6 cells)
(optional)
linked to a 3 position switch
on the RC-transmitter
(3-Stufenschalter)
Throttle stick
(Gaskanal)
Receiver-
battery
(Empfängerakku)
Receiver-
ON/OFF switch
(Empfängerschalter)
The ECU is automatically
powered up whenever the
receiver is switched on
(Die Elektronik schaltet sich automatisch EIN
sobald der Empfänger eingeschaltet wird)
Jet-tronic
Info
Min/Max
Change
Value
Item
Select
Menu
Run Limits
+
+
-
Manual
Standby / Man.
Ignition
Ignition on
Pump running
OK / Reset...
Remote - GSU
"phone"- cable
("Telefonkabel")
LED I/O-
board
RS232
Adapter
PC
GSU =ground support unit
(Programmier- und Anzeigegerät)
Airspeed
Sensor
air pressure
(Staudruck)
static pressure
(statischer Druck)
(optional)
Shut-off
valve
fuel
Shut-off
valve
propane
pitot-tube
(Staurohr)
6-wire phone cable to turbine
6-adriges Telefonkabel, zur Turbine
6-wire phone cable
6-adriges Telefonkabel
F
u
z
z
y
l
o
g
i
c
Microcomputer-Control
B
a
t
t
e
r
y
:
7
,
2
V
-
+
6
C
e
l
l
s
T
e
m
p
.
&
R
p
m
S
e
n
s
o
r
P
r
o
p
a
n
e
A
i
r
s
p
e
e
d
Jet-tronic -II- P80
S
m
o
k
e
r
S
h
u
t
-
O
f
f
v
a
l
v
e
s
D
a
t
a
-
B
U
S
V2.0
F
u
e
l
-
+
-
+
(
c
o
n
n
e
c
t
t
o
t
u
r
b
i
n
e
)
Page 20/74

Table of Contents

Related product manuals