EasyManua.ls Logo

JLA D75 - Page 11

Default Icon
52 pages
Print Icon
To Next Page IconTo Next Page
To Next Page IconTo Next Page
To Previous Page IconTo Previous Page
To Previous Page IconTo Previous Page
Loading...
113372-16 Telephone: 01422 822282 7
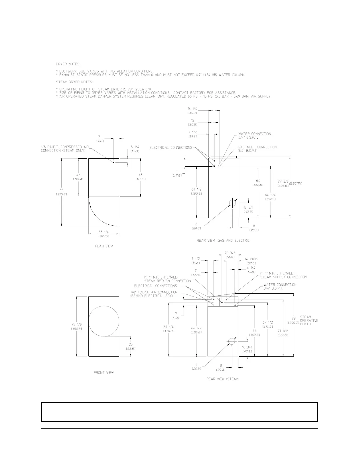
SPECIFICATIONS
NOTE: The manufacturer reserves the right to make changes in specifications at any time without
notice or obligation.

Related product manuals