EasyManua.ls Logo

JLG E450AJ - Master Cylinder E;M450 AJ (SN 0300208529 to Present, SN B300001429 through B300002486)

JLG E450AJ
480 pages
Print Icon
To Next Page IconTo Next Page
To Next Page IconTo Next Page
To Previous Page IconTo Previous Page
To Previous Page IconTo Previous Page
Loading...
SECTION 5 - BASIC HYDRAULIC INFORMATION & SCHEMATICS
3121714 5-103
1001140278 A
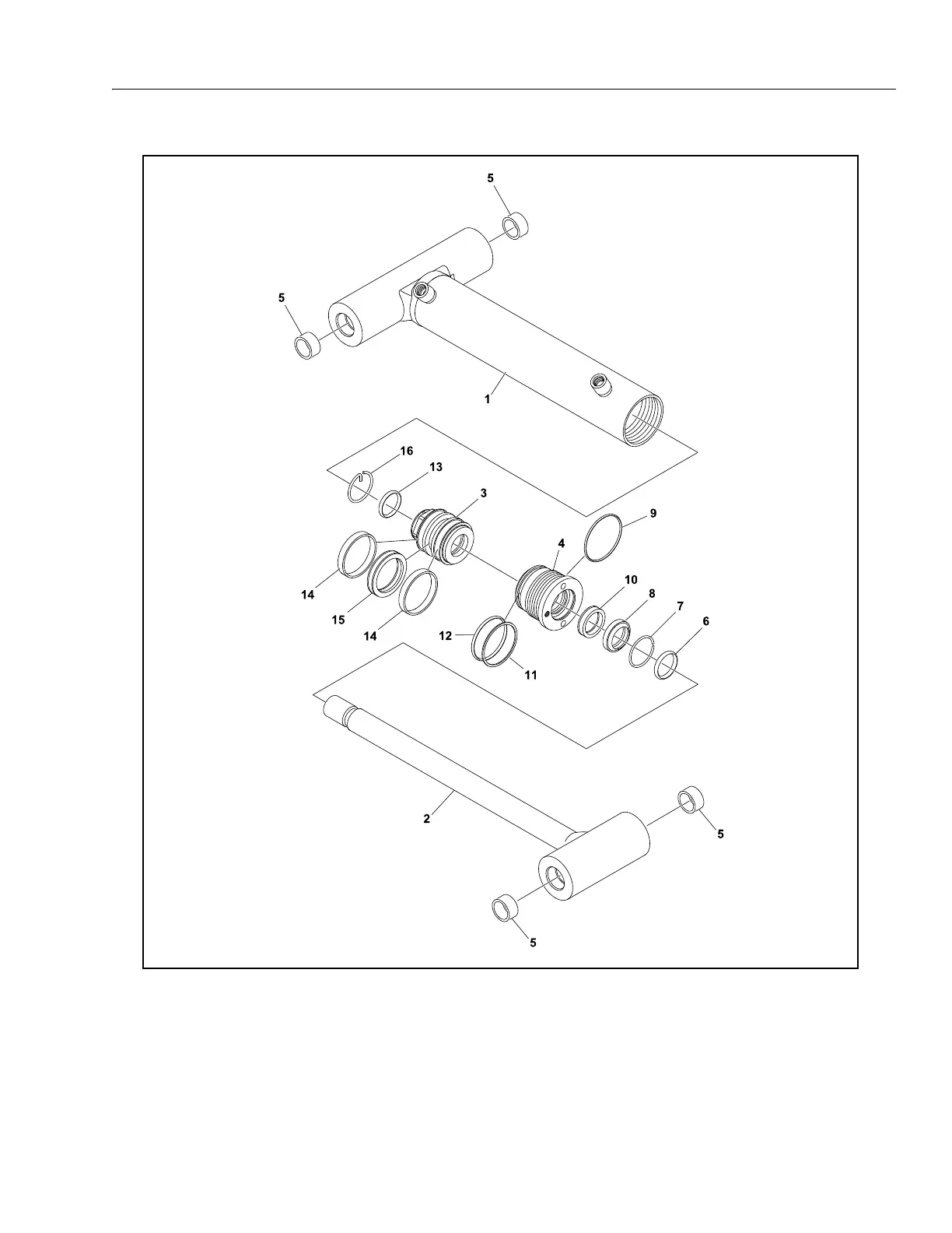
1. Barrel
2. Rod
3. Head
4. Piston
5. Bushing
6. O-ring
7. Retaining Ring
8. Wiper Seal
9. O-ring
10. Rod Seal
11. Backup Ring
12. O-ring
13. O-ring
14. Wear Ring
15. Piston Seal
16. Retainer
Figure 5-102. Master Cylinder E/M450AJ (SN 0300208529 to Present, SN B300001429 through B300002486)
* Torque gland to 442 ft. lbs. (600 Nm)

Table of Contents

Other manuals for JLG E450AJ

Related product manuals