EasyManua.ls Logo

Johnson Controls AHV60D - Wiring Diagrams; Johnson Controls Unitary Products

Johnson Controls AHV60D
14 pages
Print Icon
To Next Page IconTo Next Page
To Next Page IconTo Next Page
To Previous Page IconTo Previous Page
To Previous Page IconTo Previous Page
Loading...
12 Johnson Controls Unitary Products
824756-BTG-C-0912
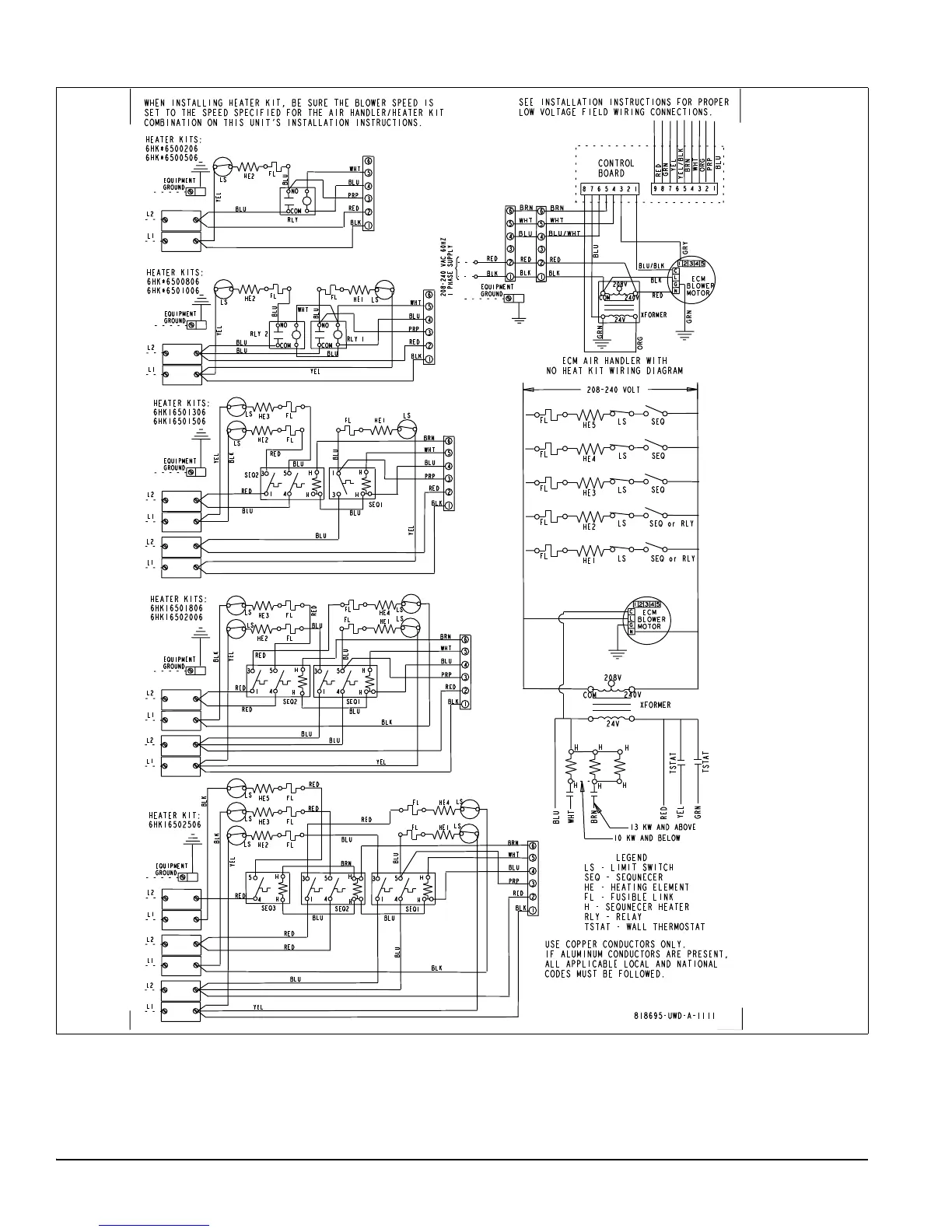
WIRING DIAGRAMS
WIRING DIAGRAM - SINGLE PHASE HEAT KITS
1
2
3
4
5
6
L2
L1
L2
L1
HE1
HE2
LS
LS
HE3
LS
H
H
H
H
FL
FL
FL
5
4
3
1
3
1
SEQ2
SEQ1
RED
EQUIPMENT
GROUND
YEL
BLU
BLK
BLK
RED
RED
YEL
BRN
WHT
BLU
PRP
BLU
BLU
BLU
BLU
1
2
3
4
5
6
L2
L1
L2
L1
HE1
HE2
LS
LS
HE3
LS
H
H
FL
FL
FL
5
4
3
1
SEQ2
SEQ1
RED
EQUIPMENT
GROUND
YEL
RED
YEL
BLK
RED
RED
BLK
BRN
WHT
BLU
PRP
BLU
RED
BLU
BLU
1
2
3
4
5
6
L2
L1
HE2
LS
FL
RLY 2
RLY 1
RED
EQUIPMENT
GROUND
YEL
BLK
BLU
YEL
WHT
BLU
PRP
BLU
BLU
BLU
1
2
3
4
5
6
L2
L1
L2
L1
HE1
HE2
LS
LS
HE3
LS
H
H
H
H
FL
FL
FL
5
4
3
1
4
5
SEQ3
SEQ1
RED
EQUIPMENT
GROUND
BLU
BLK
BLK
RED
RED
BRN
WHT
BLU
PRP
BLU
BLU
H
H
5
4
3
1
SEQ2
BLU
L2
L1
BLU
HE5
LS
FL
HE4
LS
FL
BRN
RED
BLK
BLK
BLU
YEL
YEL
RED
RED
RED
HE4
LS
FL
H
H
5
4
3
1
BLU
BLK
BLU
HE1
LS
FL
BLU
WHT
1
2
3
4
5
6
L2
L1
RLY
RED
EQUIPMENT
GROUND
YEL
BLK
WHT
BLU
PRP
BLU
BLU
HE2
LS
FL
WHEN INSTALLING HEATER KIT, BE SURE THE BLOWER SPEED IS
SET TO THE SPEED SPECIFIED FOR THE AIR HANDLER/HEATER KIT
COMBINATION ON THIS UNIT'S INSTALLATION INSTRUCTIONS.
HEATER KITS:
6HK*6500206
6HK*6500506
HEATER KITS:
6HK*6500806
6HK*6501006
HEATER KITS:
6HK16501306
6HK16501506
HEATER KITS:
6HK16501806
6HK16502006
HEATER KIT:
6HK16502506
24V
240V
COM
208V
XFORMER
HE1
LS
FL
HE2
LS
FL
HE3
LS
FL
HE4
LS
FL
HE5
LS
FL
SEQ or RLY
SEQ
SEQ
SEQ
SEQ or RLY
RED
GRN
BLU
WHT
BRN
USE COPPER CONDUCTORS ONLY.
IF ALUMINUM CONDUCTORS ARE PRESENT,
ALL APPLICABLE LOCAL AND NATIONAL
CODES MUST BE FOLLOWED.
SEE INSTALLATION INSTRUCTIONS FOR PROPER
LOW VOLTAGE FIELD WIRING CONNECTIONS.
LEGEND
LS - LIMIT SWITCH
SEQ - SEQUNECER
HE - HEATING ELEMENT
FL - FUSIBLE LINK
H - SEQUNECER HEATER
RLY - RELAY
TSTAT - WALL THERMOSTAT
H
H
H
H
H
H
COM
NO
NO
NO
COM
COM
818695-UWD-A-1111
208-240 VOLT
13 KW AND ABOVE
10 KW AND BELOW
ECM
BLOWER
MOTOR
C
L
G
N
12345
YEL
EQUIPMENT
GROUND
1
2
3
4
5
6
BLK
RED
{
208-240 VAC 60HZ
1 PHASE SUPPLY
24V
240V
ECM
BLOWER
MOTOR
COM
208V
XFORMER
BLK
RED
BLU
BRN
WHT
GRN
C
L
G
N
12345
RED
BLK
GRY
ECM AIR HANDLER WITH
NO HEAT KIT WIRING DIAGRAM
GRN
9 8 7 6 5 4 3 2 1
8 7 6 5 4 3 2 1
BLU
PRP
ORG
WHT
BRN
YEL/BLK
YEL
GRN
RED
BLU/BLK
BLU
ORG
1
2
3
4
5
6
BLK
RED
BLU/WHT
BRN
WHT
CONTROL
BOARD
TSTAT
TSTAT

Related product manuals