EasyManua.ls Logo

Johnson Controls ZU Seies - Field Wiring Disconnect - Cooling Unit with or Without Electric Heat and All Units with a VFD Option; Field Wiring Disconnect - Cooling Unit with Gas Heat Without a VFD Option

Johnson Controls ZU Seies
75 pages
Print Icon
To Next Page IconTo Next Page
To Next Page IconTo Next Page
To Previous Page IconTo Previous Page
To Previous Page IconTo Previous Page
Loading...
5566218-TIM-B-1118
20 Johnson Controls Ducted Systems
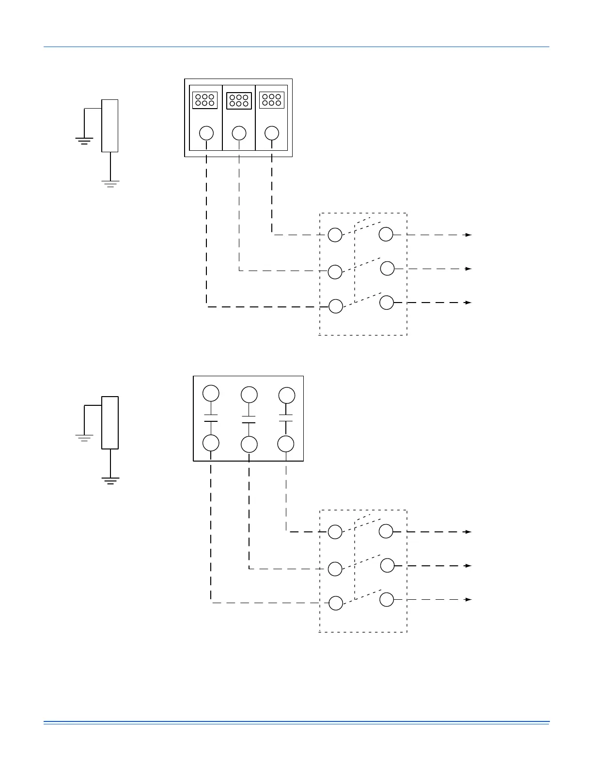
Figure 22: Field wiring disconnect - cooling unit with or without electric heat and all units with a VFD option
Figure 23: Field wiring disconnect - cooling unit with gas heat without a VFD option
THREE
PHASE
POWER
SUPPLY
FACTORY OR FIELD
SUPPLIED DISCONNECT
GROUND
LUG
TERMINAL BLOCK TB1
L1
T1
L2
T2
T3
L3
THREE
PHASE
POWER
SUPPLY
FACTORY OR FIELD
SUPPLIED DISCONNECT
GROUND
LUG
CONTACTOR 1M

Table of Contents

Related product manuals