EasyManua.ls Logo

Jonsered FR 13 - Wiring Diagram, Hydrostatic Machines

Jonsered FR 13
68 pages
Print Icon
To Next Page IconTo Next Page
To Next Page IconTo Next Page
To Previous Page IconTo Previous Page
To Previous Page IconTo Previous Page
Loading...
English 57
6012-002
8009-198
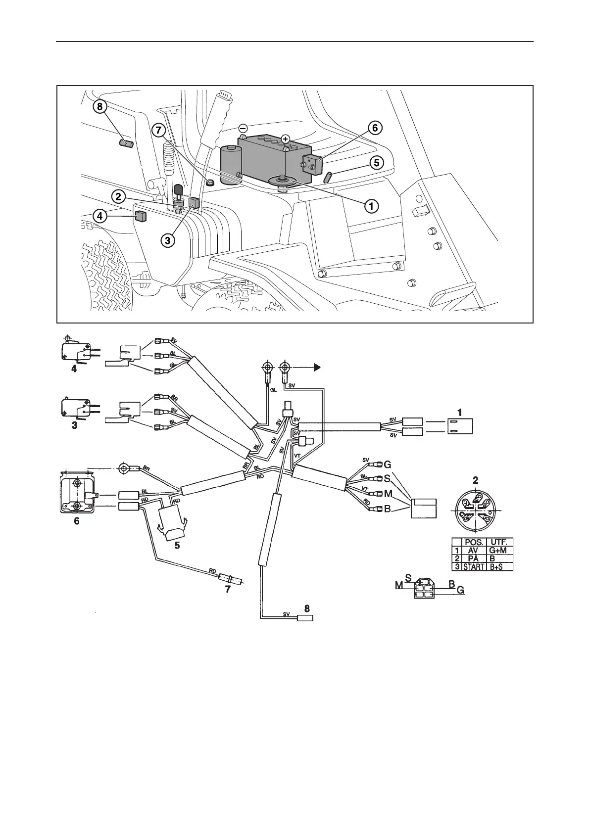
Wiring Diagram, Hydrostatic Machines
Electrical System
1. Microswitch, seat
2. Ignition lock
3. Microswitch, lifting lever
4. Microswitch, hydrostatic transmission
5. Fuse 15A.
6. Start relay
7. Engine/charging
8. Engine/stop
Key for colour abbreviations in wiring diagram
SV = Black
RD = Red
BR = Brown
BL = Blue
VT = White
GL = Yellow

Table of Contents

Related product manuals