EasyManua.ls Logo

JRC JLR-7900 - Page 197

JRC JLR-7900
218 pages
Print Icon
To Next Page IconTo Next Page
To Next Page IconTo Next Page
To Previous Page IconTo Previous Page
To Previous Page IconTo Previous Page
Loading...
6-17
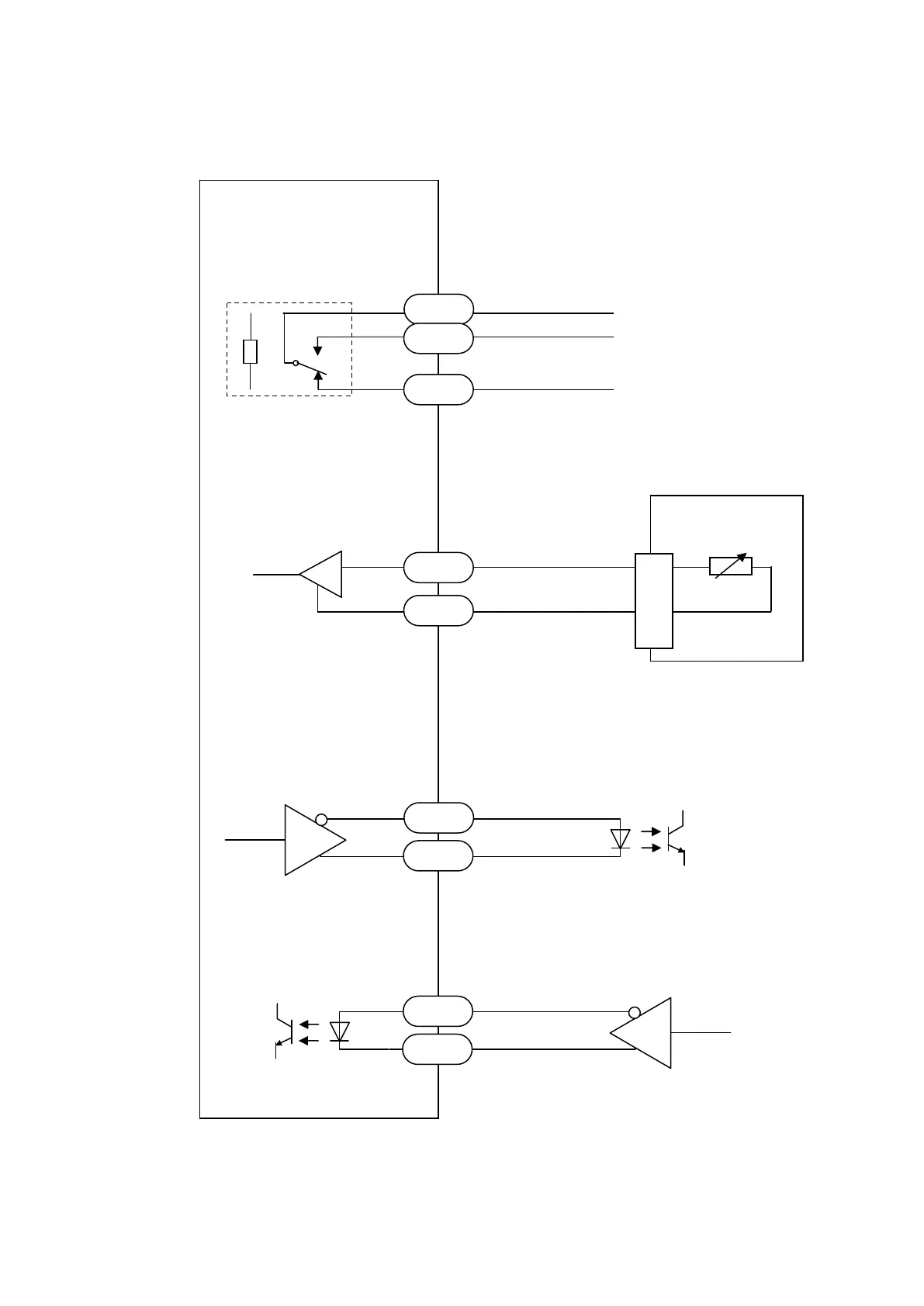
【入出力回路】
NCM-227
ディマーユニット
NWZ-4610 表示器
IEC61162-1(NMEA)
SD-B
SD-A
SD-B
SD-A
入力設定
出力設定
リレー
接点最大 DC30V / 1.0A
COM
NO
NC
IEC61162-1(NMEA)
入力
出力
【シリアル通信】
【接点出力】
【接点入力/アナログ入力】
IN+
IN-
1
2
3
4
または、接点接続
3:ダイ
4:キ
5:ミド
6:アオ
7:ムラ

Table of Contents

Related product manuals