EasyManua.ls Logo

JRC JLR-7900 - Page 95

JRC JLR-7900
218 pages
Print Icon
To Next Page IconTo Next Page
To Next Page IconTo Next Page
To Previous Page IconTo Previous Page
To Previous Page IconTo Previous Page
Loading...
6-23
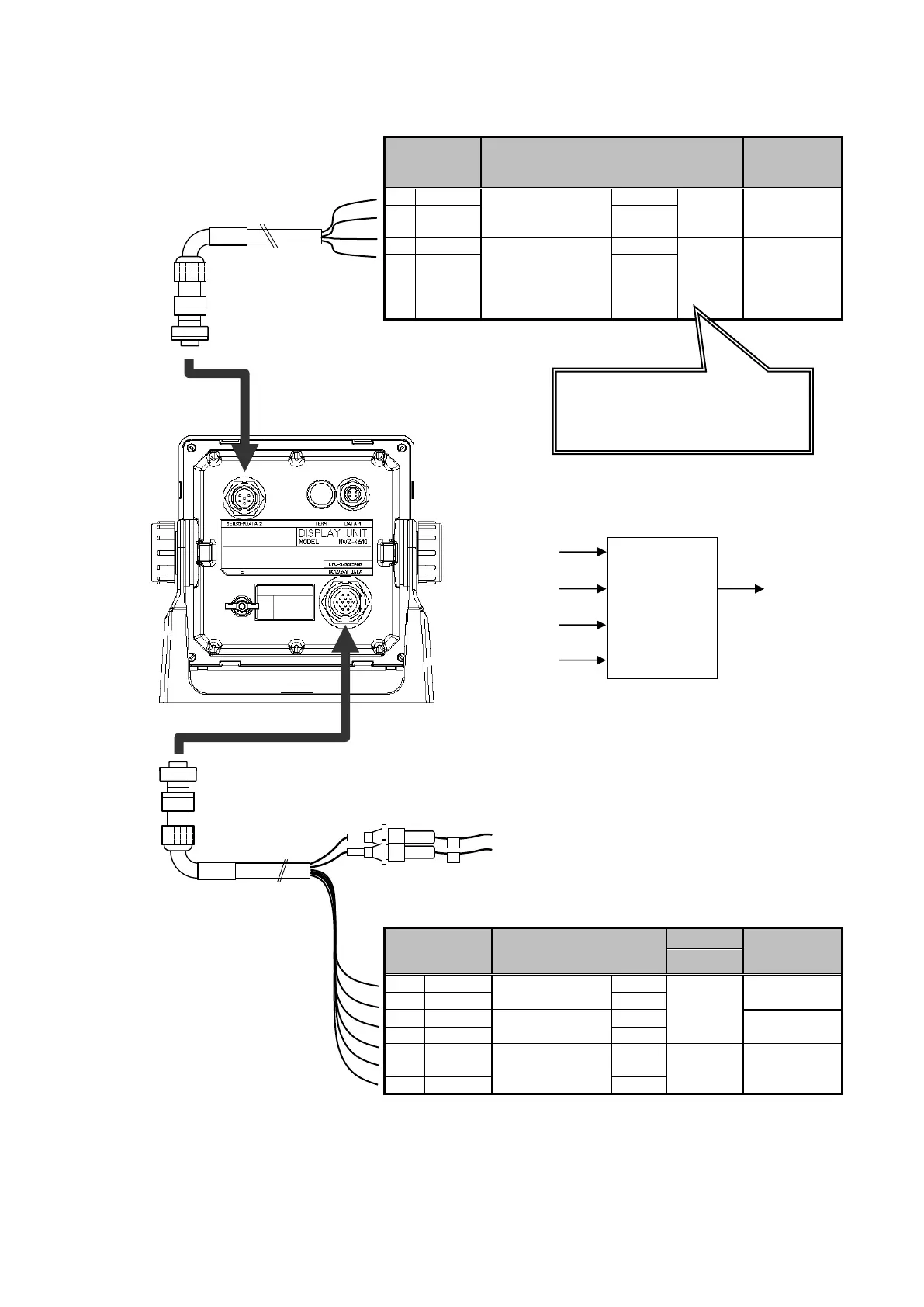
[For outputting together four data from one port (MID)]
Display Unit Rear
Terminal
Number
(CFQ-5767)
Name Example
3 White Serial
transmission
(DATA IN 4)
RXD2-A
Input Position
4 Green RXD2-B
5 Yellow
Serial
transmission
(DATA OUT 4)
TXD2-A
Output
Position/
water depth
Water
temperature/
current
6 Brown
TXD2-B
Terminal
Number
(CFQ-5766)
Name
Setting Example
3ch input
8 Gray
Serial transmission
(DATA I/O 1)
SD0-A
Input
Water depth
9 White SD0-B
10 Pink
Serial transmission
(DATA I/O 2)
SD3-A
Water
temperature
11 Sky blue SD3-B
12 Bright
green
Serial transmission
(DATA I/O 3)
SD6-A
Input Current
13 Brown SD6-B
CFQ5767
CFQ5766
1A
1A
+
-
Output together from this port
DATA IN 1
DATA IN 2
DATA IN 3
DATA IN 4
NWZ-4610
display unit
DATA OUT 4

Table of Contents

Related product manuals