EasyManua.ls Logo

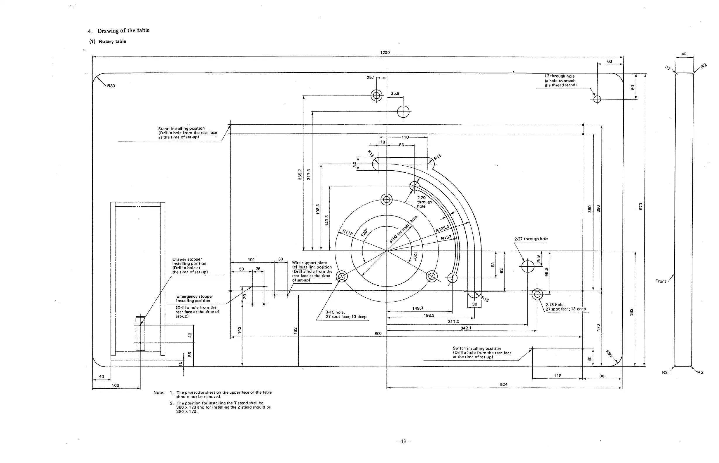
JUKI MBH-180 - Drawing of the Table; Rotary Table

JUKI MBH-180
50 pages
Print Icon
To Next Page IconTo Next Page
To Next Page IconTo Next Page
To Previous Page IconTo Previous Page
To Previous Page IconTo Previous Page
Loading...

Other manuals for JUKI MBH-180

Related product manuals