EasyManua.ls Logo

JUMO EM-50 - Page 13

JUMO EM-50
44 pages
Print Icon
To Next Page IconTo Next Page
To Next Page IconTo Next Page
To Previous Page IconTo Previous Page
To Previous Page IconTo Previous Page
Loading...
13
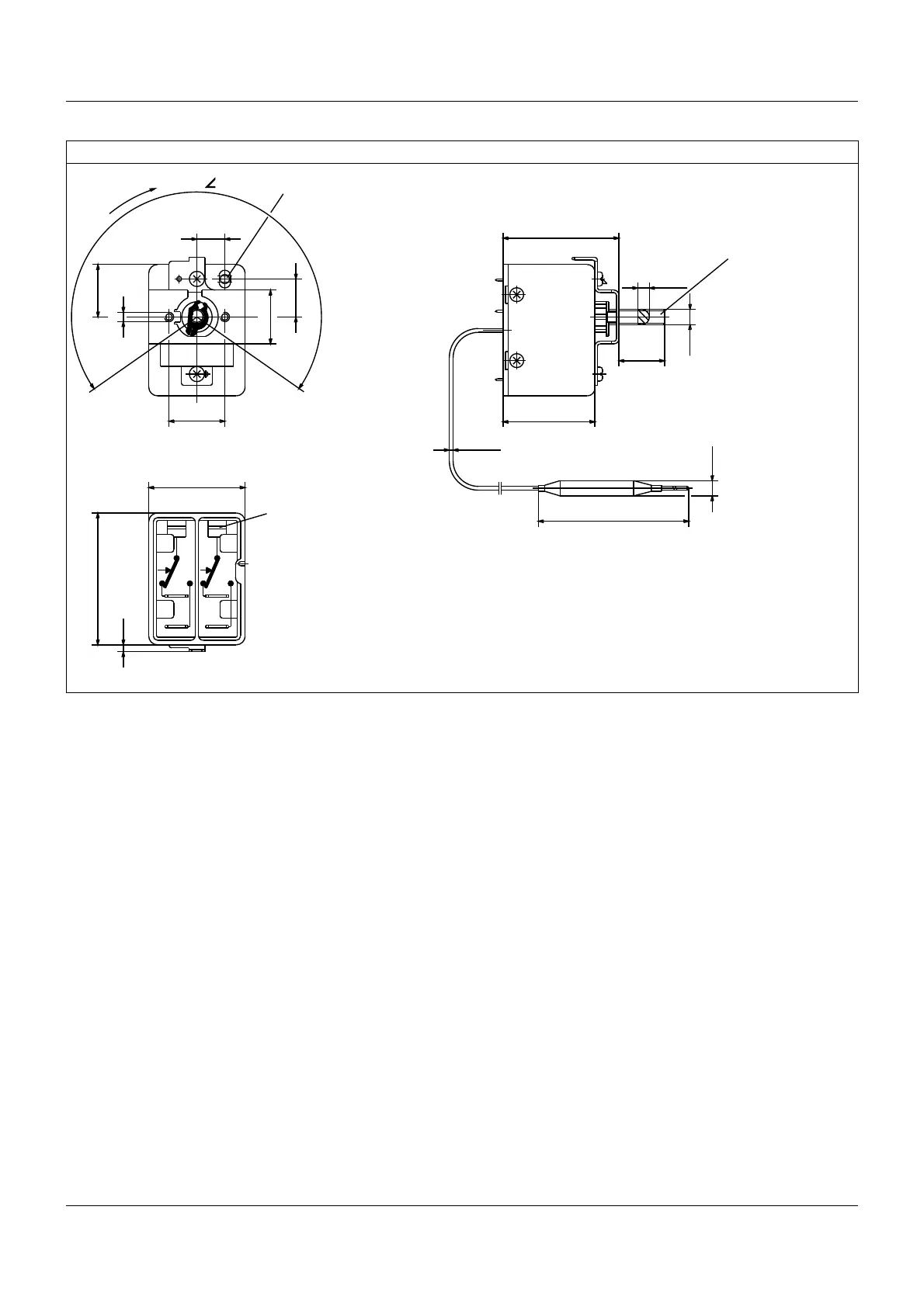
4 Mounting
EM-13, EM-14, EM-20, EM-23, EM-24, EM-30, EM-33, EM-40, EM-44, EM-50, EMF-54
(1)
(3)
A
I
II
1
1
4
4
2
2
(2)
G
21
15
21
B
°C
250
°
11
38
52
3
Ø d
Ø1.5
4.6
L
6
Ø
46
36.5
18
~
(1) Restart knob only with abbreviation 40, 44, 50 and 5
(2) Not applicable with abbreviation 2, 3, 4, 5, 20, 30, 40 and 50
(3) Tab connector DIN 46244-A6,3-0,8
(A) Rear view

Related product manuals