EasyManua.ls Logo

JUMO EM-50 - Mounting Instructions

JUMO EM-50
44 pages
Print Icon
To Next Page IconTo Next Page
To Next Page IconTo Next Page
To Previous Page IconTo Previous Page
To Previous Page IconTo Previous Page
Loading...
12
4 Mounting
4 Mounting
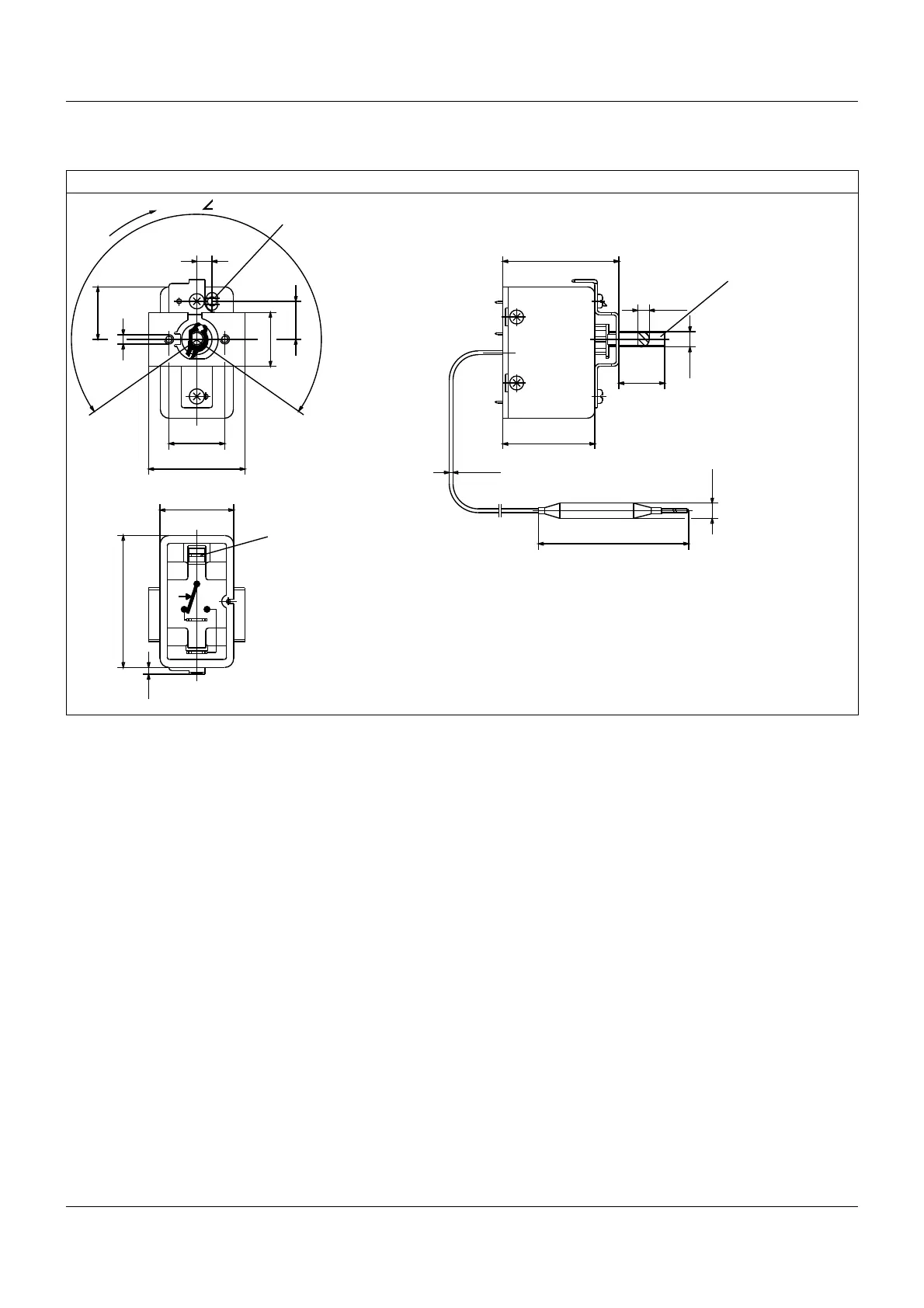
4.1 Dimensions
EM-1, EM-2, EM-3, EM-4, EM-5
(1)
2
1
4
(3)
A
(2)
38
6
G
21
15
21
B
°C
250
°
29
52
3
Ød
Ø1.5
18
4.6
L
6Ø
36.5
46
~
(1) Restart knob only with abbreviation 4 and 5
(2) Not applicable with abbreviation 2, 3, 4, 5
(3) Tab connector DIN 46244-A6,3-0,8
(A) Rear view

Related product manuals