EasyManua.ls Logo

Jun-Air 86 - Exploded Views; 87 R-25 B 230 V - 50 Hz Components

Jun-Air 86
27 pages
Print Icon
To Next Page IconTo Next Page
To Next Page IconTo Next Page
To Previous Page IconTo Previous Page
To Previous Page IconTo Previous Page
Loading...
17
86/87R Compressor System User Guide 6190755 (Rev A)
© 2015, JUN-AIR
We reserve the right to make any alterations which may be due to any technical improvements
Printed in the USA
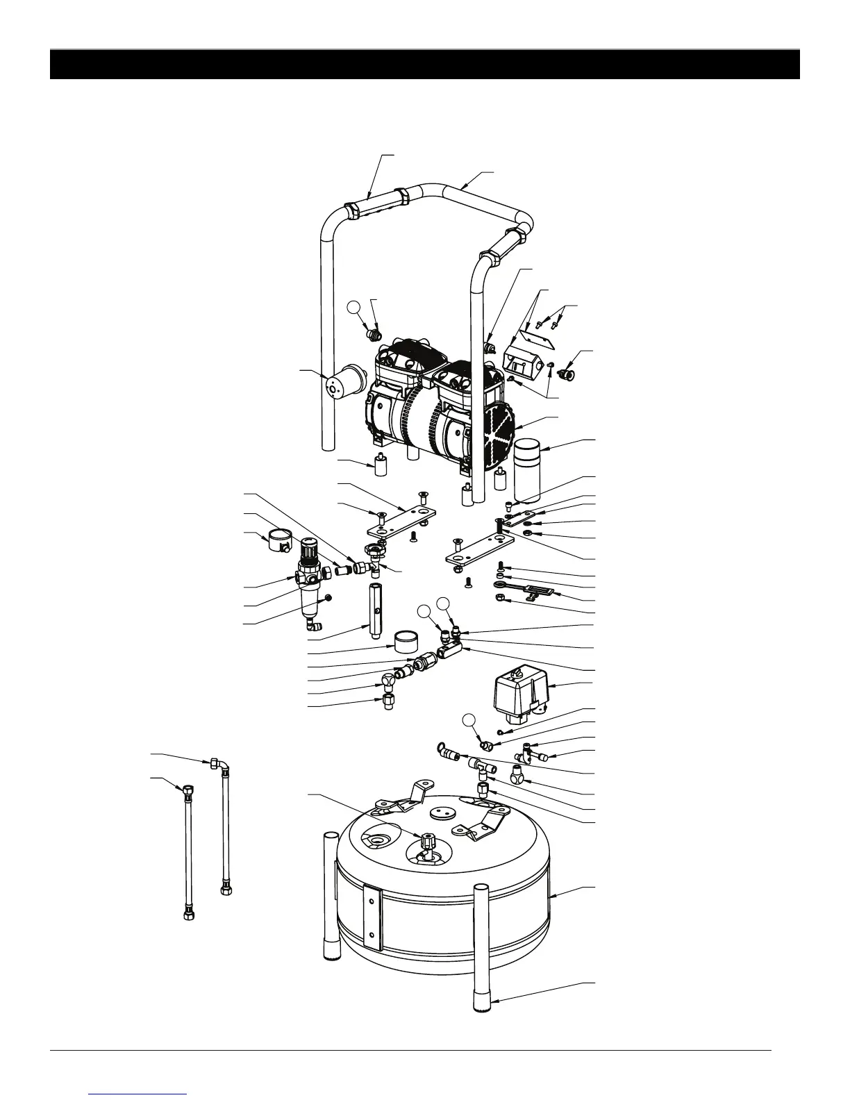
87R-25B 230V - 50Hz
86/87R- XB Exploded Views
6250000
6290200
5340000
3410010
B-B 6420000
5960000
8111962
A-A 6457020
87R642-104RT-N470X
5130000
B300A
A
7024002
6243710 O-RING
6346300
5424000
7070000
7020002
6243715 O-RING
7156100
5130000
4071039
6340500
5427003
5427002
5414500
7180000
7566200
5420000
7566000
5031000
6253704
7190000
6973090
5416100
7180000
6372700
7071350
7540000
6296850
6296851
5935012
A
B
B
6320200
6390025
8008302
5237700
5427001
7025005
6243715 O-RING
7566000
6975002
6355000
6341800
6392202
6392350
6341101
6392145
6392145
DATE
DESCRIPTION
PART NUMBER
1760410 - EXPLODED
SHEET 1 OF 1
REFERENCE ONLY
2/12/2015
1760410
87R-25B 230V/50Hz CE

Related product manuals