EasyManua.ls Logo

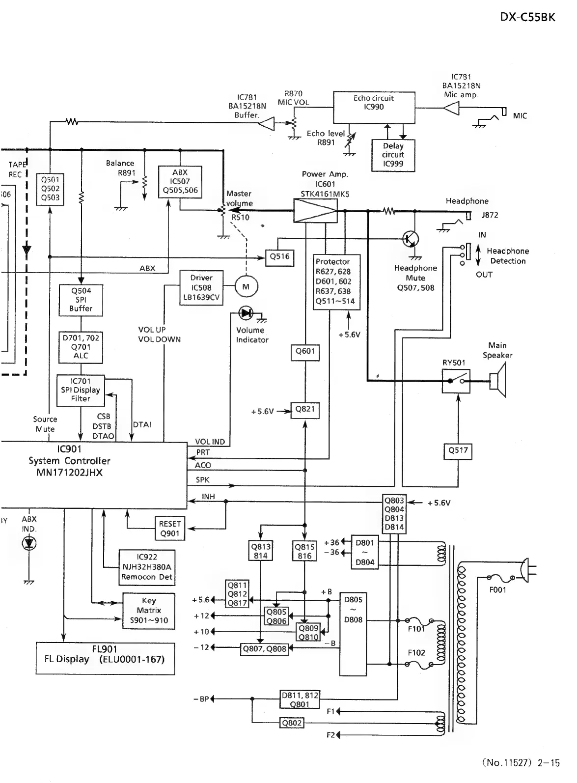
JVC CA-C55BK - Block Diagram - Deck Section

JVC CA-C55BK
144 pages
Print Icon
To Next Page IconTo Next Page
To Next Page IconTo Next Page
To Previous Page IconTo Previous Page
To Previous Page IconTo Previous Page
Loading...
1C781
R870
Echo
circuit
BA15218N
MIC
VOL
1C990
Buffer.
Echo
level
3,
=
R891
2
Delay
y
circuit
TapH
Balance
IC999
REC
|
R891
ABX
Power
Amp.
|
Q501
1C507
1C601
Q505,506
Master
STK4161MK5
volume
Protector
1C701
$P!
Display
Filter
Source
Mute
DTAI
VOLIND
ICc901
PRT
System
Controlter
MhioNeae
INH
ry
ABX
IND.
Q81
1C922
814
NJH32H380A
Remocon
Det
Q811
Q812
Key
+5.6
Q817
Matrix
+12
$901~910
+10
FL9O1
ple
FL
Display
(ELU0001-167)
D811,812
"yee
Q801
Ft
F2
=.
TT"
Ea
Headphone
DX-C55BK
1C781
BA15218N
Mic
amp.
al
mic
Headphone
TT
5872
‘a
IN
:
|
Headphone
Detection
RY501
ABX
1
our
|
Driver
,
1C508
Q507,
508
'
LB1639CV
I
-
j
VOL
UP
Volume
1
D701,
702
VOL
DOWN
Indicator
Main
701
ie
Q601
Speaker
d
+5.6V
FOO1
>.
p<}
Sa}
-_
(No.11527)
2-15

Related product manuals