EasyManua.ls Logo

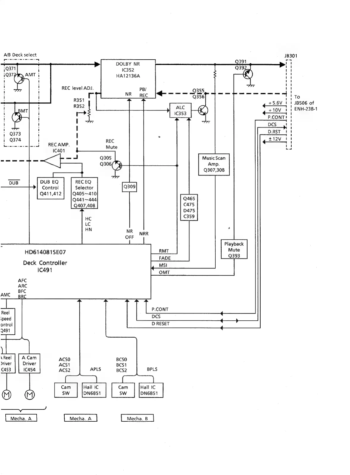
JVC CA-C55BK - IC Description - Deck Controller; HD614081 SE07 IC491 Deck Controller Details

JVC CA-C55BK
144 pages
Print Icon
To Next Page IconTo Next Page
To Next Page IconTo Next Page
To Previous Page IconTo Previous Page
To Previous Page IconTo Previous Page
Loading...
A/B
Deck
select
—————
=
DOLBY
NR
59371
1352
103727
HA12136A
i;
OD
!
REC
level
ADJ.
PB/
I
:
r
NR
REC
:
R351
; ;
R352
i
:
I
ro
i
ORR
i
|
t
!
i
:
i
|
i
Q373
1
1
Q374
i
REC
acer
OP
4
Recamp.
|
ee
1C401
el
oh
Se
hs
coe
<e
al
Q305
Music
Scan
Q306/%\)
Amp.
2
Q307,308
DUB
DUB
EQ
REC
EQ
Control
Selector
Q309
Q411,412
Q405~410
Q441~444
Q407,408
HC
LC
HN
NR
NRR
OFF
-
Playback
Mute
HD614081SE07
Q393
Deck
Controller
1C491
AFC
ARC
BFC
AMC
BR
Reel
P.CONT
speed
DCS
ontrol
D
RESET
2491
\
Reel
A
Cam
ACSO
BCSO
driver
Driver
ACS1
BCS1
C453
IC454
ACS2
APLS
BCS2
BPLS
Cam
Hall
Ic
cam
Hall
IC
(M)
(M)
SW
DN6851
sw
DN6851
~~
JB301
rt
Il
tl
ti
rd
|
Pd
an
1
|
TO
+5.6V
|
JB506
of
+10V
1
1
ENH-238-1
I
P.CONT!
:
DCS
!
:
D.RST
1
;
+12V
!
'
1

Related product manuals