EasyManua.ls Logo

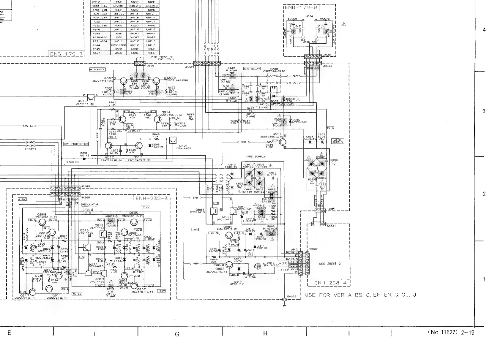
JVC CA-C55BK - Schematic Diagrams - Various Sections; Schematics for ENB-179-1 and ENB-238-3

JVC CA-C55BK
144 pages
Print Icon
To Next Page IconTo Next Page
To Next Page IconTo Next Page
To Previous Page IconTo Previous Page
To Previous Page IconTo Previous Page
Loading...
I
cx2
NONE
USED
NONE
i
peat~aoa
|
savzor
|
sopL2ec
|
senL2rc
a
j
|
ezetzzee
NONE
USED
NONE
ae
R621,
622
|
UNF.c.
|
UNE.F.
|
UNF.F.
q
GA
R631,
632
UNF.C.
UNF
.F.
UNF
.F.
*C569
Sad
so570
t
7
R633
UNE.C.
|
UNF.F.
|
UNF.F.
©
i
RESS,
636
NONE
USED
NONE
i
nel
leat
|
R648
UNF.C.
|
UNF.F.
|
UNF.F.
i
!
REOS
USED
SHORT
|
SHORT
!
i
R828~830
USED
SHORT SHORT
]
|
Resi~834
|
UNF.c.
|
UNF-F.
|
UNF.F.
I
|
R844
POSISTOR|
UNF.C.
|
UNF.C.
fv
bk
1
R645 USED
NONE,
NONE
seeded
|
C621
USED
NONE
NONE
<
sw
>TO
FWas1_
OF
Y
u
(Tf
ENB—179-+
oe
SSSSSHDG-
——
—----
-—-
------——
EMOTE
vee
off
cox
BE
p20
FEL
RES!
dese
|
I
i
!
UNENC.
ge.
S
!
ory
(174M)
1/4}
Rese
1
UNF
<C:
RES
UNE.C.
ee
1
74W)
47K
(474)
I
I
asi6
Recs
i
!
OTA1147T
Cal}
2.2K
i
B
as14
!
R657
Reto
25C1
7405
(R,
S)
ve
Ca
7awy
|
tee
eae
Eten,
R639 cS76
1
45.
6V.
33K
10/25
T
Trity
28c?740sTR,
SI
t
CI]
~
|
E
100K
R646
Q517
ia
caos
a
35-4]
10K
25C1
74.05
(@,
R)
we
eety
|
569°
|
aH
OV
41
sPkK
cae
a
re
Nopuy|
|
>)
a
¢
=
a+
[seers
cranes
DAE)
4285
|
To
82:
ma?
!
DTAI44ES
:
Ol
4
REas
et
p52
|
!
OST2
a5
ae
aE
i
DSAT3SA
(P,Q).
2501
7405
(RST
ca03
i
a.1
oao7
/\
0805,
TE
1$R139
I
Ea
:
I
pol
¥bB03
l
A
||
|
||
caa2
l
|------
-
--
-hpggegegy
2
~--------------
;
qe
l
1
S45
5540
Gt
iT
POSS
et
Se
|
I
~
JASOS
I
1
|
a
a
ENH—238
3]
1]
!
|
(REGULATOR
4
REGULATOR|
i
|
1
remy
pt
Fizd
:
ies
|
a9
aa
Qa0s
|
de
| |
2502061
(€.
F)
1
|
| |
ro.
7
O
(z2—2)
i
2a
1!
|
ry
9815|
¢
1
|
(1_@8
a7 -—
\
9
DTAI44ES
:
;
1
pa12
|
i
l
at
Lor
Q810
)
DTC144ES
it
|
ox
ox
C?
Qso6
|
=1SR139
He
=
|
i
1
|
gh
SC11408-F7
8823
fa]
Ly
a:
9
28CR7
29S
|ca20
1
ot
[es
I
|
|
“24
HE
aren
veer
.
:
re)
1
230/80
'
I
I
1
|
Seer
ob
or
er
ae,
ae
:
-
ait
|
Sat
0820 C825
3h
|
TaRtsS
Jad2
|
Fwao2
;
l
\
MTz1
tc
22/16)
oy
1
|
Fa20°
ACTA.
I
1G)
|
It
lol
or
hoe
Baza)
|
cez0
“3
1
750
PaleS
I
l
how,
Sa
47
C0
1
ol
RS08
i
act7
MS
|
| 1
S0%
@N%
caza
7/28
ON
I
6
22K
22/50
ain
pose
aes
=
|
a,
-eP
mx
NG
; |
if
one
Oe
.
5
I \
oS
4.7/50
ealells
SEEN
SHERT
2
I
i
5
Gai
2a
ug
I
802
a
1
pez
atolio
!
i
1
2801749
a
us
1]
2802037
(E.
F)
4:
Ala
to
l
=
316
(I
!
RE13
ae
|
4.97/50
|
Rat
|
700
na
|
Dai?
l
|
i!
MTZ6.
2UC
I
aN
|
|
al
Cy
22.7
307
ay
|
|
l
|
Sal
¢
Se
sey
‘Gneccs
2SB1787
(E,
F)
i
1
|
aa17
Qe11
:
E
}
|
5p
984
Pars
pepe
eae
174)
|
ero02
USE
FOR
VER.A,
BS.
C,
EF,
EN,
G
GI,
|
|
|
|
|
(No.11527)
g
uw

Related product manuals