EasyManua.ls Logo

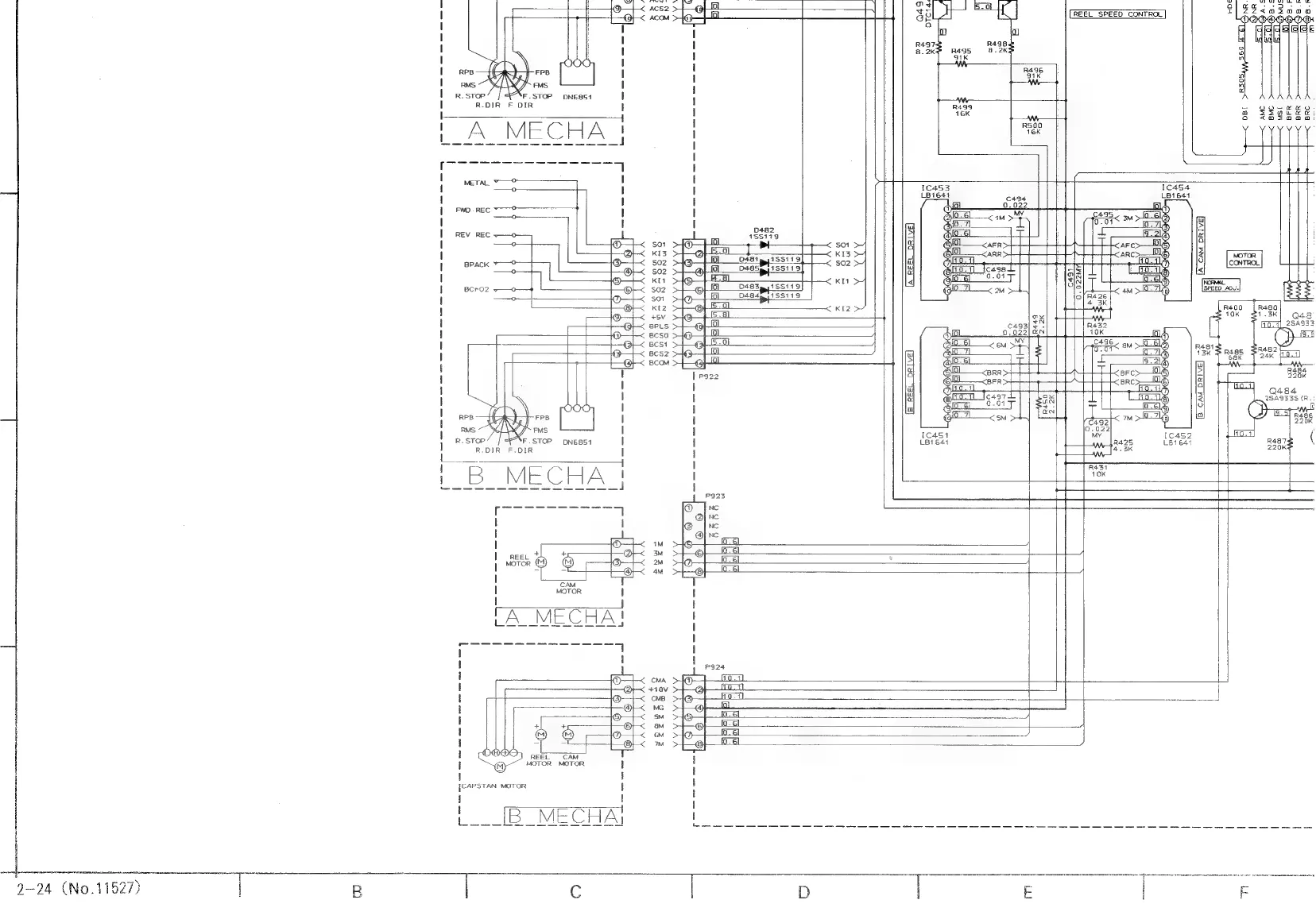
JVC CA-C55BK - Schematic Diagrams; Reel Speed Control Schematic

JVC CA-C55BK
144 pages
Print Icon
To Next Page IconTo Next Page
To Next Page IconTo Next Page
To Previous Page IconTo Previous Page
To Previous Page IconTo Previous Page
Loading...
BRC
+t
REEL
CAM
4
Nae
MOTOR
MOTOR
CAPSTAN
MOTOR
STE
REIIEIEEEEEEEEEEEEEEEREEEEE
a
Pi
:
ala
Se
REEL
SPEED
CONTROL
i
ras
;
!
im
'
|
Ras7g
R4Ag8
1
B.2Ke
R495
8.2K
91K
RPB
FPB
i
+——Ww
RMS
FMS
i
:
tw
R.
STOP
F.STOP
DN6&851
i
R.DIR
F
DIR
i]
+
1
R499
16K
w
1
&
A
MECHA
Y
a
a
Si
a
|
Si
Rs
os
oe
ee
ase
Ue
|
I
METAL
t
I
1C453
I
press
c494
161641
FWO
REC
i
4
0.022
|
C495
%
ay
5
dale
REV
REC
p4a2
ul
0.91
0.71
ws
o
soi
188179
2
a
zr
a
a
-_
sot
>
BS
AFc>——il
a
KI3
KI3
BPACK
»—?
502
04819155119)
|
ARC
oC
z
©
$02
paasPlissirat
|<
9°?
ri
:
-
:
Bi
pt
Fd
10.1]
|cags
AS
root
ku
re
49.11
1C4S8——
ae
To.
i
BCro2
©
ga
>
<|
=
wa
a.
sae
sat
(OQ
___<
ay
>-4_|
ae
4M
>I
pos
KL2
).2426
—<
KI2
+5V
a
Lwa+
Bcso
A
0.022|aN
10K
Best
<
C496
BCS2
6M
aoe
gM
a
1
V
0.07
=
=
BCOM
ena
T
=
@
G6]
=a)
+
jaa
a
fay
——<BRR
>}
{care
2]
a
©
lol__—_<pFR
BRC
a
41
4
a
wu
oh
Toot
;
ox
|
2
6-04
Be
-
%
RPB
-
FRB
a
s
ae
=
a
3S
L__<sm
a.
7]
ta)
RMS
FMS
Veaa2}<
Re
STOP
F.STOP
pN6851
cast
Oe
ae4
R.DIR
F.
1644
3
onan
an
fee
=
WW
B
MECHA
re
oS
=
10K
P923
fost
eect
@
_|nc
eae
|
fe)
NC
$s
FRR
|
Pale
NC
1
1M
ial
|
REEL
3M
©
z
|
MOTOR
2M
O
o-6]
=
SS
4M
iO.
|
i}
|
:
f
\
a
ae
ae
es
I
j
i
oe
i
CMA
+710V
!
cme
i
MG
i]
Sa
5M
i
|
@
%
a
é
z
|
~
~
7M
1
I
J
i
4
{paneer
cima
i

Related product manuals