EasyManua.ls Logo

JVC GR-AX761 - Indications

JVC GR-AX761
56 pages
Print Icon
To Next Page IconTo Next Page
To Next Page IconTo Next Page
To Previous Page IconTo Previous Page
To Previous Page IconTo Previous Page
Loading...
46 EN
INDEX
Indications
1
R
4
B
D
2
E
4
5
1
R
E
0
C
4
M
/
I
C
M
I
2
G
C
I
S
N
S
H
O
2
N
P
T
T
N
5
W
G
.
I
R
0
L
P
A
1
I
A
T
G
U
U
H
S
L
A
T
E
A
M
T
I
1
O
1
6
N
:
S
4
T
+
M
5
4
0
W
:
0
2
B
1
+
8
1X
6
8
9
0
!
#
$
@
7
&
^
%
4
3
1
2
5
a
b
*
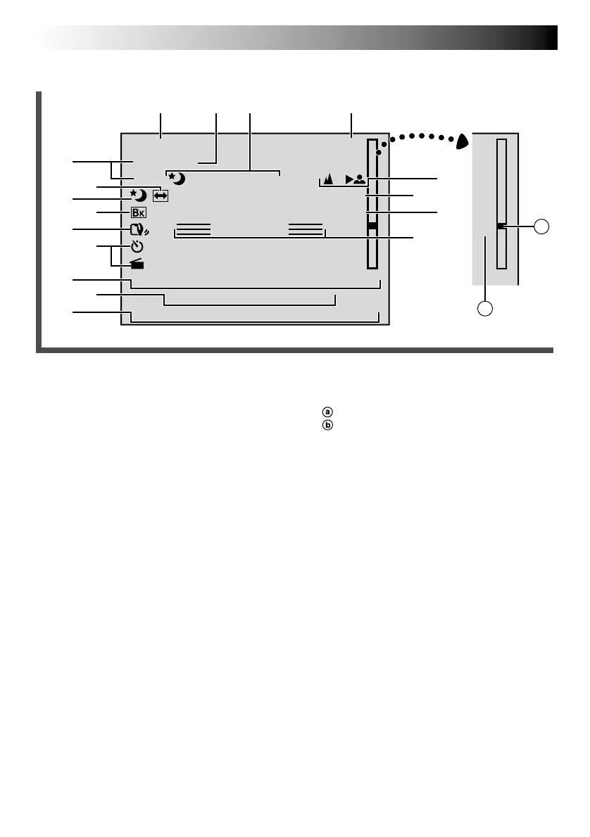
1 Tape Remaining Time .......................... pg. 42
Blinks when a tape is about to reach its end.
2 Recording Mode Indicator (SP/EP) ........ pg. 11
3, 7 Digital Effect Indicator ..................... pg. 21
Displayed at 3 for approx. 2 seconds when
the Digital Effect is switched from one mode to
another by pressing DIGIFECT, then only the
indicator remains at 7.
3, 8 Program AE Indicator ...................... pg. 20
Displayed at 3 for approx. 2 seconds when
Program AE with special effects is switched
from one mode to another by pressing P.AE.,
then only the indicator remains at 8.
3, 9 Fade/Wipe-Standby Indicator .......... pg. 19
Displayed at 3 for approx. 2 seconds when
the Fade/Wipe is switched from one effect to
another by pressing FADE/WIPE, then only the
indicator remains at 9.
4 Tape Length Indicator .......................... pg. 12
5 Zoom Indicator Bar .............................. pg. 16
Zoom Level Indicator
Approximate Zoom Ratio
6 Recording Indicator ............................. pg. 14
0 Picture Stabilizer Indicator ................... pg. 16
! Interval Time/Recording Time
Indicator ..................................... pg. 26, 37
5 Sec. Rec Mode Indicator ................. pg. 17
@ Bright Level Indicator
(GR-AXM231 only) .............................. pg. 14
# Instant Title Display ............................. pg. 25
$ Date/Time Display ............................... pg. 25
% Focus Indicator .................................... pg. 28
^ Exposure Control Level Counter ........... pg. 27
& White Balance Mode Indicator ............. pg. 29
* RecordStandby Mode Indicator .......... pg. 14
Indications During Recording

Table of Contents

Related product manuals